Cub Cadet All Rounder 1050 17AF9BKP603R (2009) Mähwerksaushebung Ersatzteile
Mähwerksaushebung 17AF9BKP603R (2009)

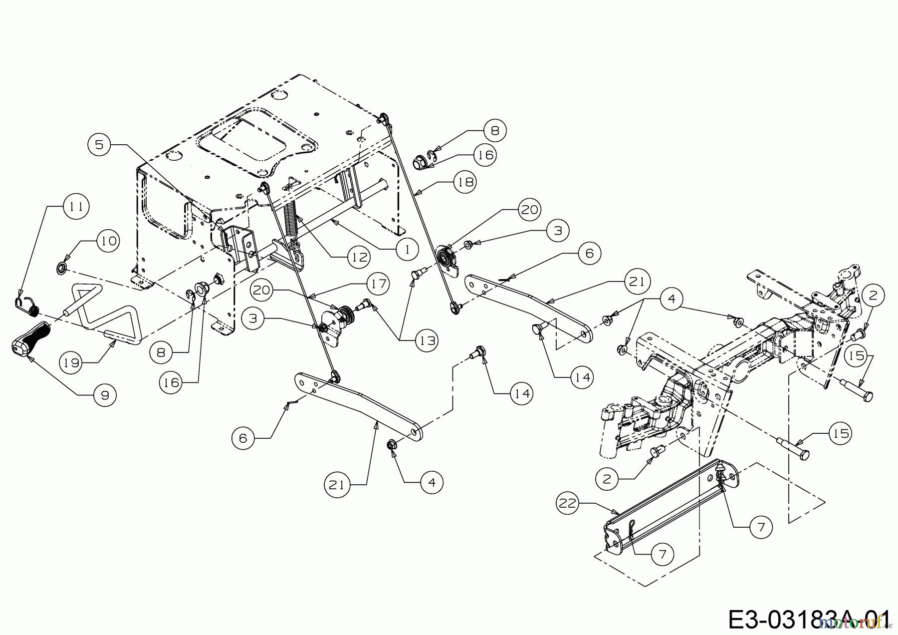
Hier finden Sie die Ersatzteilzeichnung für Cub Cadet Zero Turn All Rounder 1050 17AF9BKP603R (2009) Mähwerksaushebung. Wählen Sie das benötigte Ersatzteil aus der Ersatzteilliste Ihres Cub Cadet Gerätes aus und bestellen Sie einfach online. Viele Cub Cadet Ersatzteile halten wir ständig in unserem Lager für Sie bereit.


Qualitätsmanagement
Informieren Sie uns, wenn Sie einen Fehler gefunden haben.














