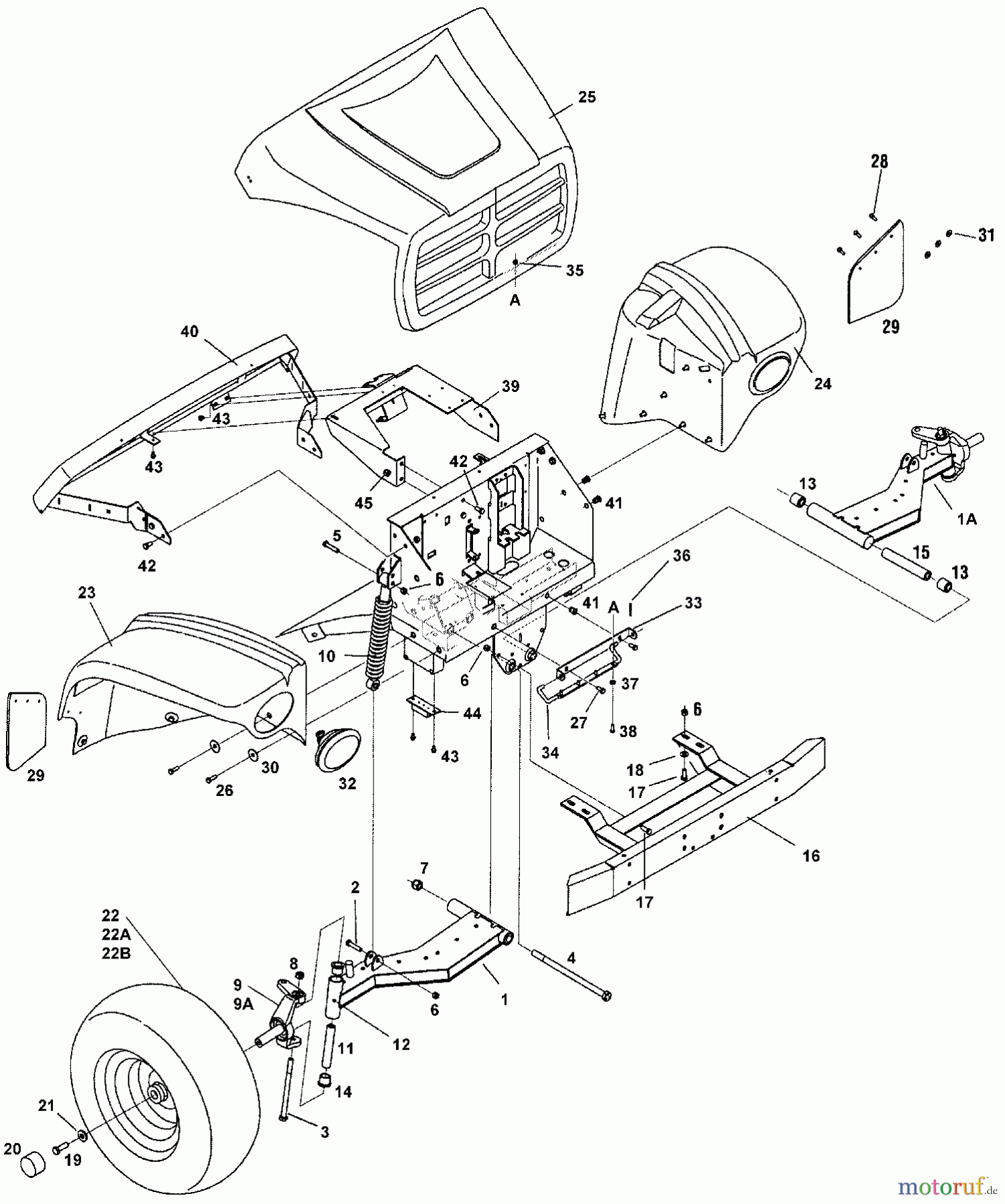
Cub Cadet Big Country - 6x4 Utilty Vehicle 37AS640D603 (2004) Motorhaube, Kotflügel, Räder vorne, Vorderachse Ersatzteile
Motorhaube, Kotflügel, Räder vorne, Vorderachse 37AS640D603 (2004)

Hier finden Sie die Ersatzteilzeichnung für Cub Cadet Utility Vehicle Big Country - 6x4 Utilty Vehicle 37AS640D603 (2004) Motorhaube, Kotflügel, Räder vorne, Vorderachse. Wählen Sie das benötigte Ersatzteil aus der Ersatzteilliste Ihres Cub Cadet Gerätes aus und bestellen Sie einfach online. Viele Cub Cadet Ersatzteile halten wir ständig in unserem Lager für Sie bereit.


Qualitätsmanagement
Informieren Sie uns, wenn Sie einen Fehler gefunden haben.













