Cub Cadet 4x4 Cubstyle 37AK466D603 (2009) Gelenkwellen, Getriebe, Motorzubehör, Tank Ersatzteile
Gelenkwellen, Getriebe, Motorzubehör, Tank 37AK466D603 (2009)

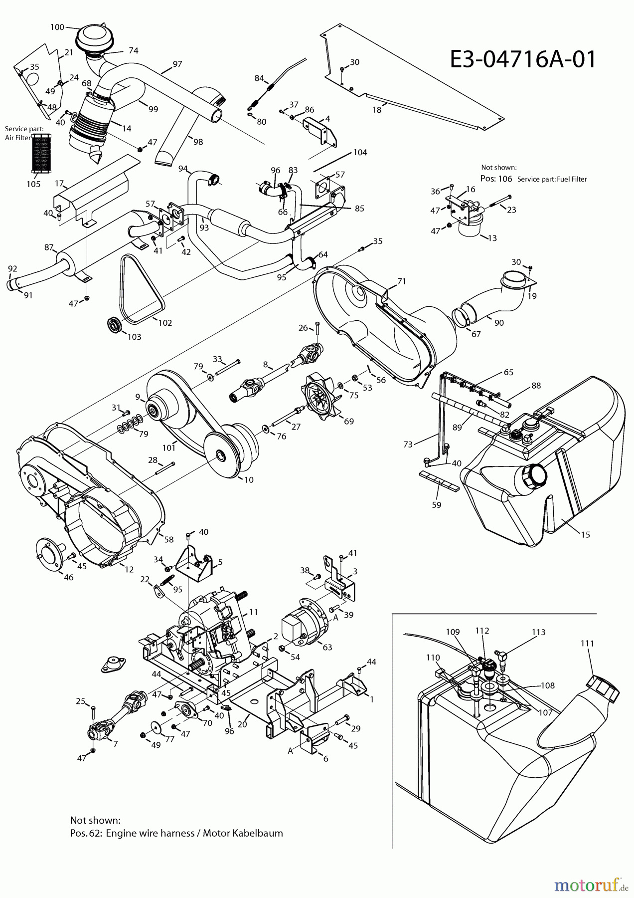
Hier finden Sie die Ersatzteilzeichnung für Cub Cadet Utility Vehicle 4x4 Cubstyle 37AK466D603 (2009) Gelenkwellen, Getriebe, Motorzubehör, Tank. Wählen Sie das benötigte Ersatzteil aus der Ersatzteilliste Ihres Cub Cadet Gerätes aus und bestellen Sie einfach online. Viele Cub Cadet Ersatzteile halten wir ständig in unserem Lager für Sie bereit.


Qualitätsmanagement
Informieren Sie uns, wenn Sie einen Fehler gefunden haben.





















