Cub Cadet 730 TDE 31AY75LU603 (2013) Abdeckung Armaturenbrett Ersatzteile
Abdeckung Armaturenbrett 31AY75LU603 (2013)

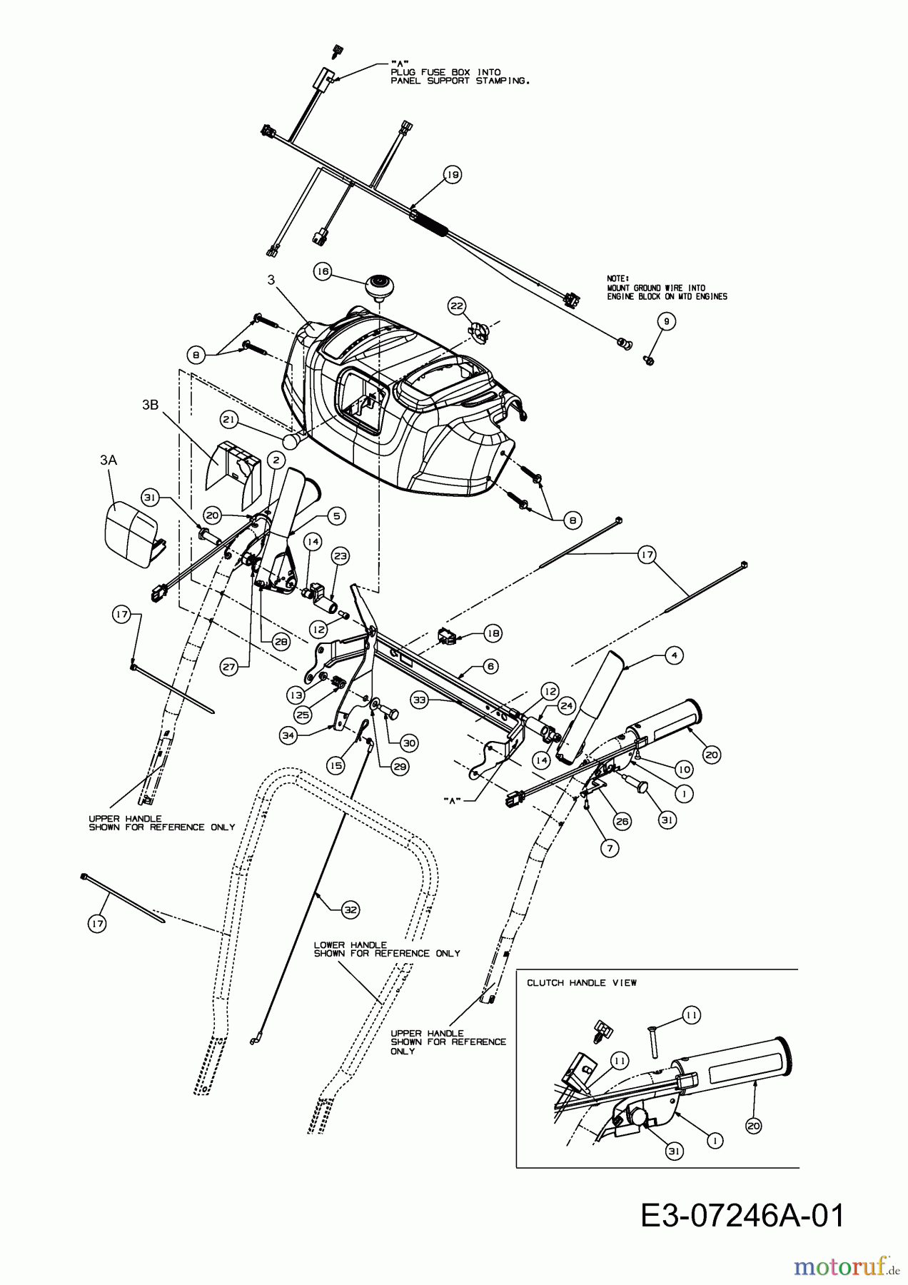
Hier finden Sie die Ersatzteilzeichnung für Cub Cadet Schneefräsen 730 TDE 31AY75LU603 (2013) Abdeckung Armaturenbrett. Wählen Sie das benötigte Ersatzteil aus der Ersatzteilliste Ihres Cub Cadet Gerätes aus und bestellen Sie einfach online. Viele Cub Cadet Ersatzteile halten wir ständig in unserem Lager für Sie bereit.










