Cub Cadet UT 180 36AB124-603 (2006) Abdeckung Schwungrad Ersatzteile
Abdeckung Schwungrad 36AB124-603 (2006)

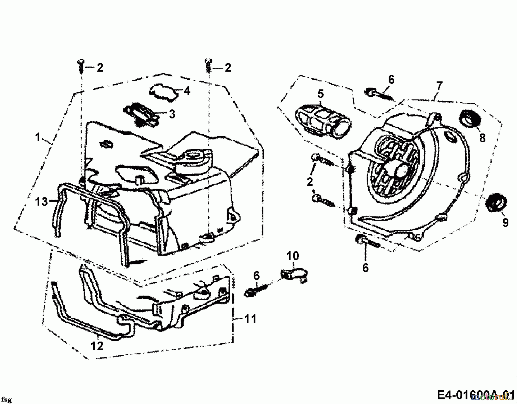
Hier finden Sie die Ersatzteilzeichnung für Cub Cadet Quads UT 180 36AB124-603 (2006) Abdeckung Schwungrad. Wählen Sie das benötigte Ersatzteil aus der Ersatzteilliste Ihres Cub Cadet Gerätes aus und bestellen Sie einfach online. Viele Cub Cadet Ersatzteile halten wir ständig in unserem Lager für Sie bereit.


Qualitätsmanagement
Informieren Sie uns, wenn Sie einen Fehler gefunden haben.

