Cub Cadet CC 1022 KHN 13AF91AN603 (2012) Motorzubehör Ersatzteile
Motorzubehör 13AF91AN603 (2012)

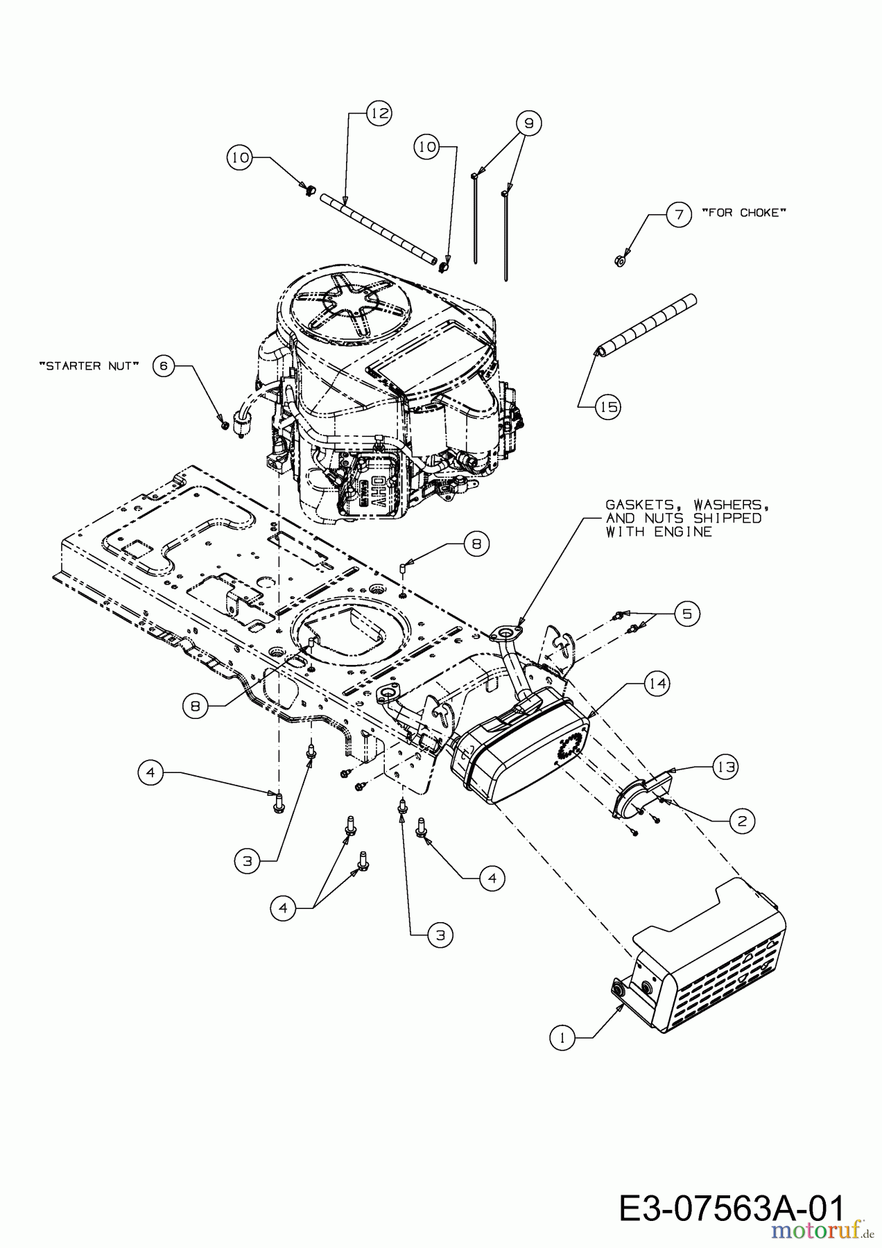
Hier finden Sie die Ersatzteilzeichnung für Cub Cadet Rasentraktoren CC 1022 KHN 13AF91AN603 (2012) Motorzubehör. Wählen Sie das benötigte Ersatzteil aus der Ersatzteilliste Ihres Cub Cadet Gerätes aus und bestellen Sie einfach online. Viele Cub Cadet Ersatzteile halten wir ständig in unserem Lager für Sie bereit.








