Cub Cadet CC 1016 AF 13AD90AF603 (2012) Schaltplan Ersatzteile
Schaltplan 13AD90AF603 (2012)

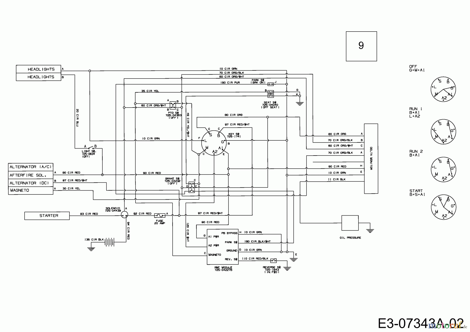
Hier finden Sie die Ersatzteilzeichnung für Cub Cadet Rasentraktoren CC 1016 AF 13AD90AF603 (2012) Schaltplan. Wählen Sie das benötigte Ersatzteil aus der Ersatzteilliste Ihres Cub Cadet Gerätes aus und bestellen Sie einfach online. Viele Cub Cadet Ersatzteile halten wir ständig in unserem Lager für Sie bereit.
| BildNr | Artikel Nummer | Bezeichnung | |
| 9 | 725-05369 | KABELBAUM:NX9:MPTO:RMC:HRMTR: | |


Qualitätsmanagement
 Informieren Sie uns, wenn Sie einen Fehler gefunden haben.

