Cub Cadet HDS 2205 13A-2D7-603 (2006) Kurbelgehäuse Ersatzteile
Kurbelgehäuse 13A-2D7-603 (2006)

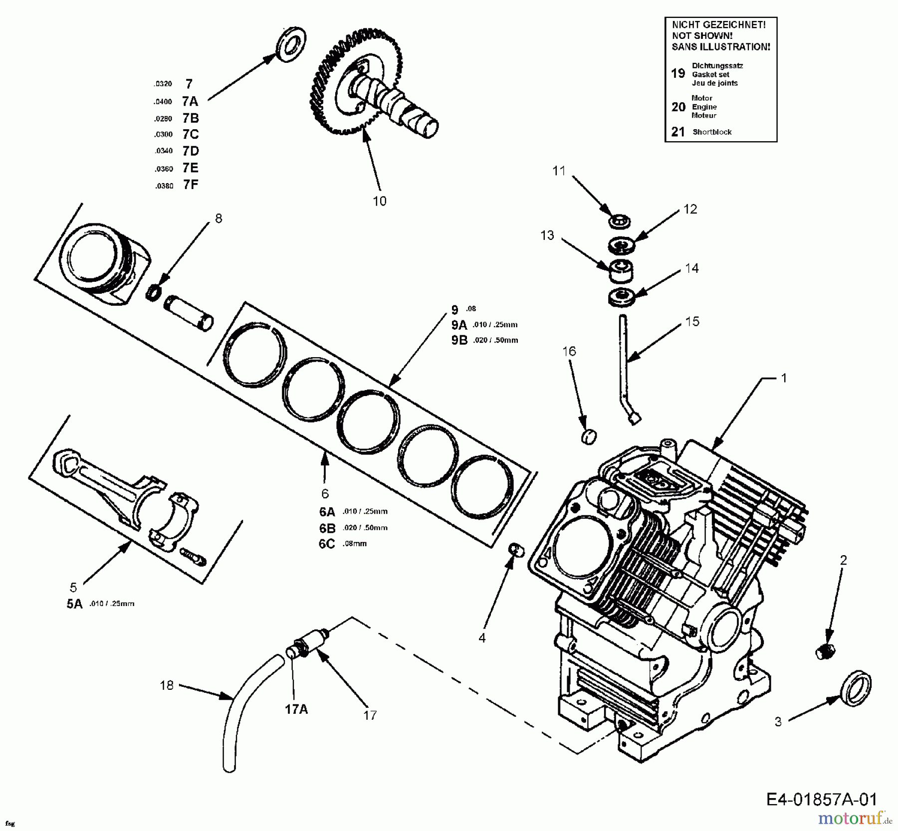
Hier finden Sie die Ersatzteilzeichnung für Cub Cadet Rasentraktoren HDS 2205 13A-2D7-603 (2006) Kurbelgehäuse. Wählen Sie das benötigte Ersatzteil aus der Ersatzteilliste Ihres Cub Cadet Gerätes aus und bestellen Sie einfach online. Viele Cub Cadet Ersatzteile halten wir ständig in unserem Lager für Sie bereit.


Qualitätsmanagement
Informieren Sie uns, wenn Sie einen Fehler gefunden haben.

