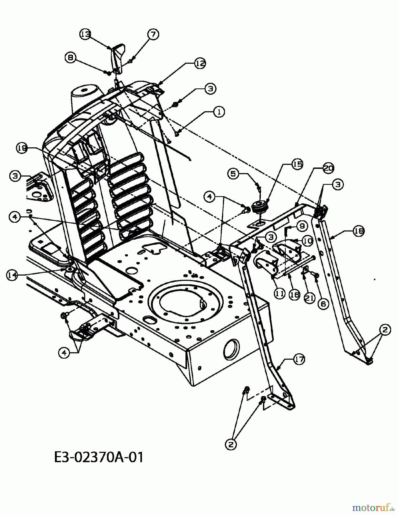
Cub Cadet CC 1023 RD 13AP51CJ603 (2005) Armaturenbrett Ersatzteile
Armaturenbrett 13AP51CJ603 (2005)

Hier finden Sie die Ersatzteilzeichnung für Cub Cadet Rasentraktoren CC 1023 RD 13AP51CJ603 (2005) Armaturenbrett. Wählen Sie das benötigte Ersatzteil aus der Ersatzteilliste Ihres Cub Cadet Gerätes aus und bestellen Sie einfach online. Viele Cub Cadet Ersatzteile halten wir ständig in unserem Lager für Sie bereit.


Qualitätsmanagement
Informieren Sie uns, wenn Sie einen Fehler gefunden haben.






