Cub Cadet CC 1020 13AE11CG603 (2006) Motorzubehör ab 17.11.2005 Ersatzteile
Motorzubehör ab 17.11.2005 13AE11CG603 (2006)

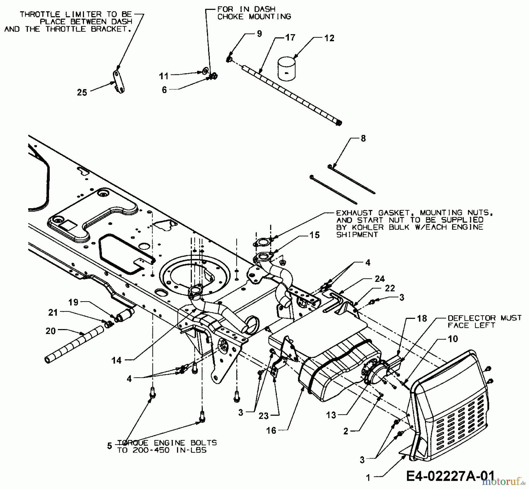
Hier finden Sie die Ersatzteilzeichnung für Cub Cadet Rasentraktoren CC 1020 13AE11CG603 (2006) Motorzubehör ab 17.11.2005. Wählen Sie das benötigte Ersatzteil aus der Ersatzteilliste Ihres Cub Cadet Gerätes aus und bestellen Sie einfach online. Viele Cub Cadet Ersatzteile halten wir ständig in unserem Lager für Sie bereit.


Qualitätsmanagement
Informieren Sie uns, wenn Sie einen Fehler gefunden haben.









