Cub Cadet CC 1000 RD 13B951CN603 (2009) Rahmen Ersatzteile
Rahmen 13B951CN603 (2009)

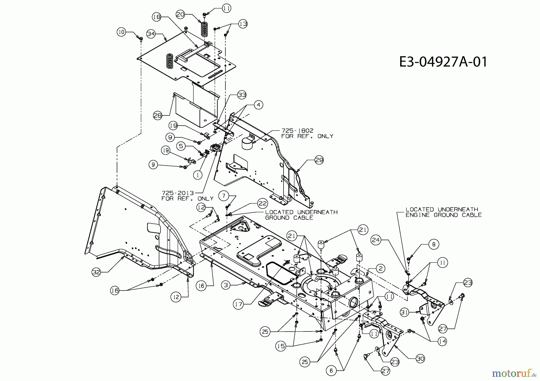
Hier finden Sie die Ersatzteilzeichnung für Cub Cadet Rasentraktoren CC 1000 RD 13B951CN603 (2009) Rahmen. Wählen Sie das benötigte Ersatzteil aus der Ersatzteilliste Ihres Cub Cadet Gerätes aus und bestellen Sie einfach online. Viele Cub Cadet Ersatzteile halten wir ständig in unserem Lager für Sie bereit.