Cub Cadet CC 2250 RDH 54A1F7RS603 (2011) Fahrantrieb Ersatzteile
Fahrantrieb 54A1F7RS603 (2011)

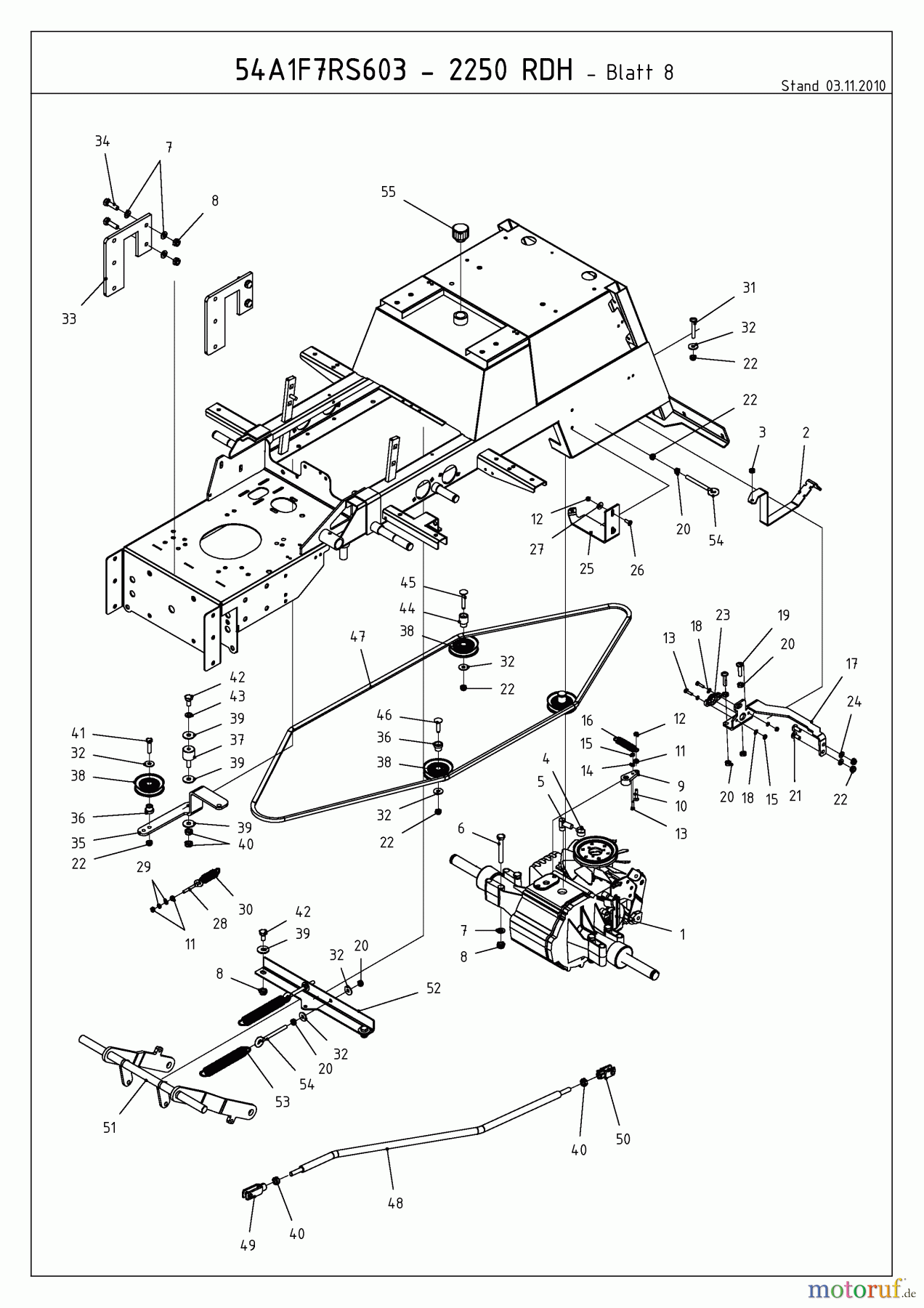
Hier finden Sie die Ersatzteilzeichnung für Cub Cadet Kompakttraktoren CC 2250 RDH 54A1F7RS603 (2011) Fahrantrieb. Wählen Sie das benötigte Ersatzteil aus der Ersatzteilliste Ihres Cub Cadet Gerätes aus und bestellen Sie einfach online. Viele Cub Cadet Ersatzteile halten wir ständig in unserem Lager für Sie bereit.


Qualitätsmanagement
Informieren Sie uns, wenn Sie einen Fehler gefunden haben.







