Cub Cadet HDS 6284 54AD74HD603 (2007) Joystick Frontlader Ersatzteile
Joystick Frontlader 54AD74HD603 (2007)

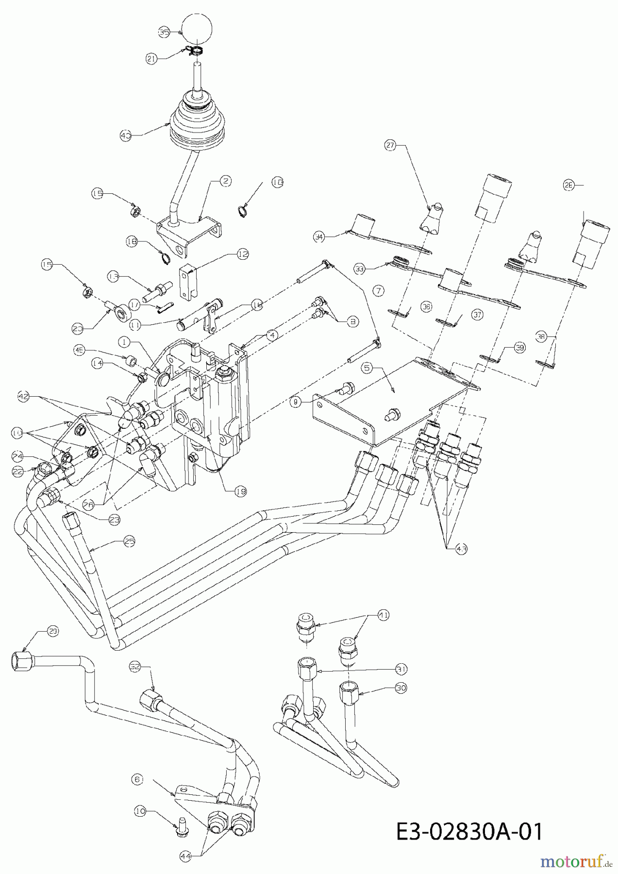
Hier finden Sie die Ersatzteilzeichnung für Cub Cadet Kompakttraktoren HDS 6284 54AD74HD603 (2007) Joystick Frontlader. Wählen Sie das benötigte Ersatzteil aus der Ersatzteilliste Ihres Cub Cadet Gerätes aus und bestellen Sie einfach online. Viele Cub Cadet Ersatzteile halten wir ständig in unserem Lager für Sie bereit.


Qualitätsmanagement
Informieren Sie uns, wenn Sie einen Fehler gefunden haben.




