Cub Cadet 1772 1772 (1989) Tank Ersatzteile
Tank 1772 (1989)

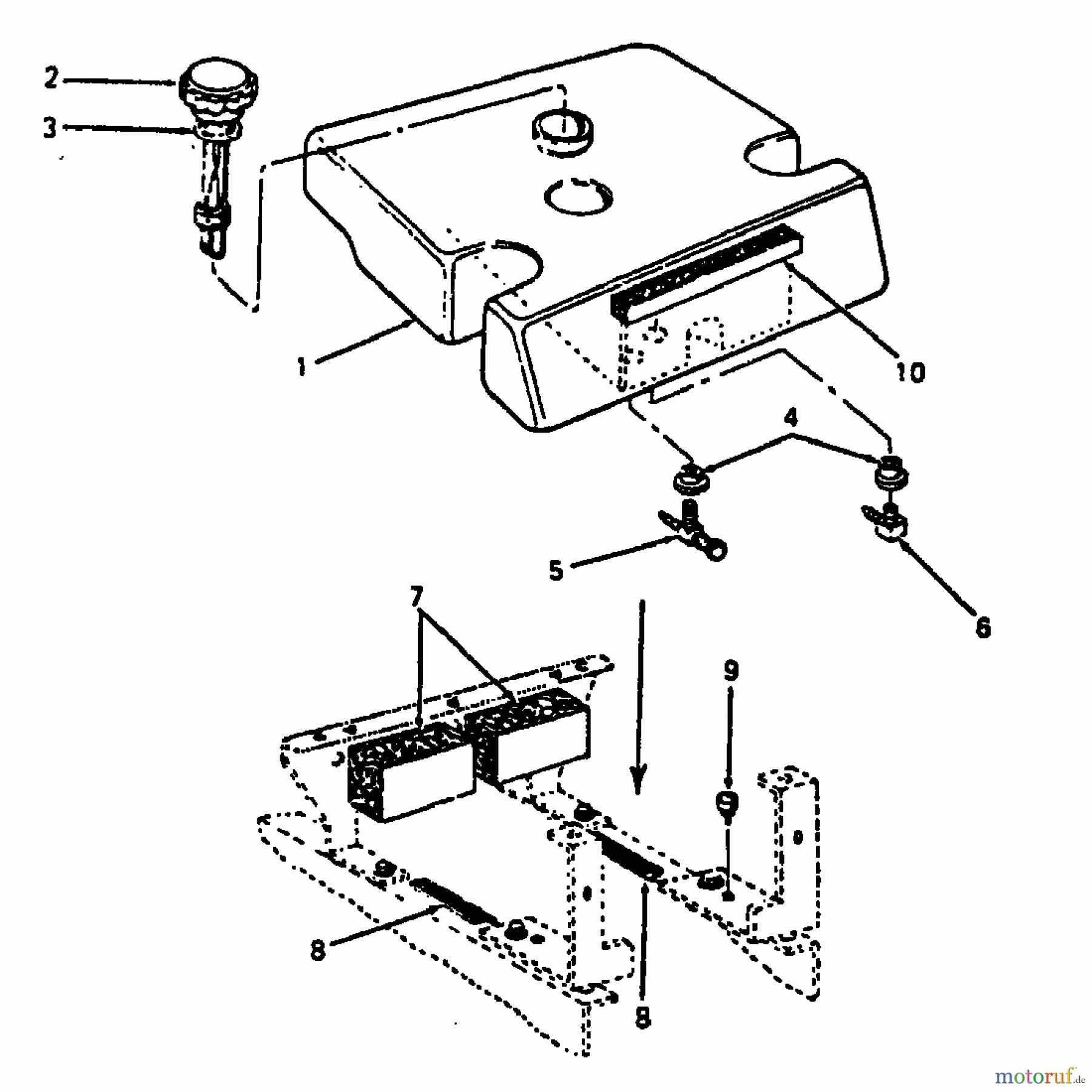
Hier finden Sie die Ersatzteilzeichnung für Cub Cadet Kompakttraktoren 1772 1772 (1989) Tank. Wählen Sie das benötigte Ersatzteil aus der Ersatzteilliste Ihres Cub Cadet Gerätes aus und bestellen Sie einfach online. Viele Cub Cadet Ersatzteile halten wir ständig in unserem Lager für Sie bereit.
| BildNr | Artikel Nummer | Bezeichnung | |
| 1 | 703-1463 | TANK | |
| 2 | 751-3044 | KRAFTSTOFFANZEIGER | |
| 3 | 721-3003 | GRIFFSCHRAUBE | |
| 4 | 751-3008 | BUCHSE | |
| 5 | 751-0171 | KRAFTSTOFFHAHN | |
| 6 | 751-3054 | SCHLAUCHNIPPEL 90 | |
| 7 | 723-3051 | DÄMPFUNGSPLATTE 3" LG. | |
| 8 | 703-1368 | SCHUTZBAND VYNIL | |
| 9 | 735-0199 | ||
| 10 | 703-1349 | ||


Qualitätsmanagement
Informieren Sie uns, wenn Sie einen Fehler gefunden haben.

