Cub Cadet 1772 1772 (1989) Hydraulikzylinder Ersatzteile
Hydraulikzylinder 1772 (1989)

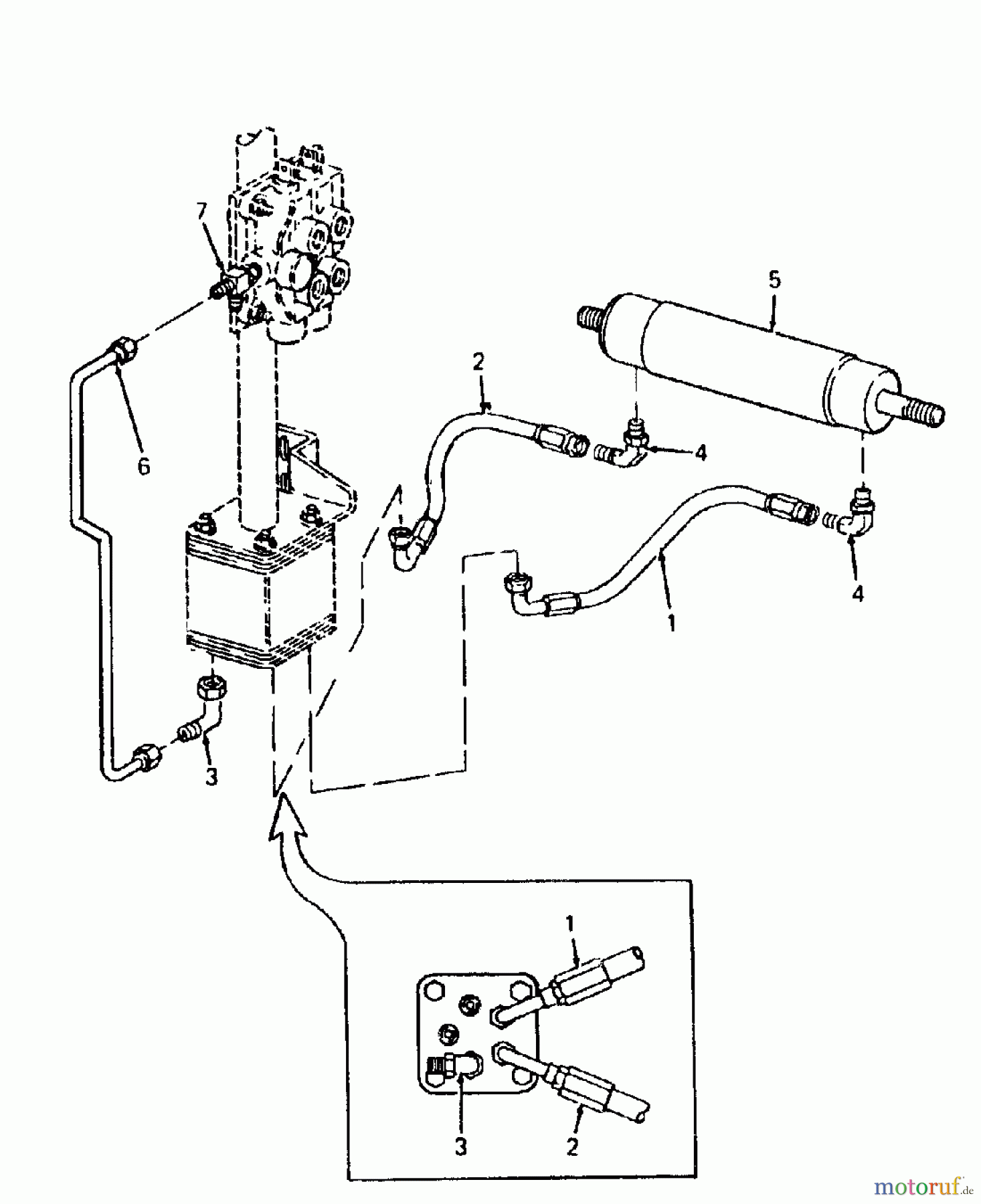
Hier finden Sie die Ersatzteilzeichnung für Cub Cadet Kompakttraktoren 1772 1772 (1989) Hydraulikzylinder. Wählen Sie das benötigte Ersatzteil aus der Ersatzteilliste Ihres Cub Cadet Gerätes aus und bestellen Sie einfach online. Viele Cub Cadet Ersatzteile halten wir ständig in unserem Lager für Sie bereit.
| BildNr | Artikel Nummer | Bezeichnung | |
| 1 | 727-3038 | HYDRAULIKSCHLAUCH | |
| 2 | 727-3037 | ZYLINDERSCHLAUCH | |
| 3 | 727-3039 | WINKELVERSCHRAUBUNG 90 | |
| 4 | 727-3012 | WINKELVERSCHRAUBUNG 90 | |
| 5 | 717-3041A | HYDRAULIKZYLINDER | |
| 6 | 727-3034 | HYDRAULIKROHR ZUS. | |
| 7 | 727-3041 | T-STÜCK | |


Qualitätsmanagement
Informieren Sie uns, wenn Sie einen Fehler gefunden haben.

