Cub Cadet GTX 2100 14A-3GE-603 (2013) Motorzubehör ab 01.05.2012 Ersatzteile
Motorzubehör ab 01.05.2012 14A-3GE-603 (2013)

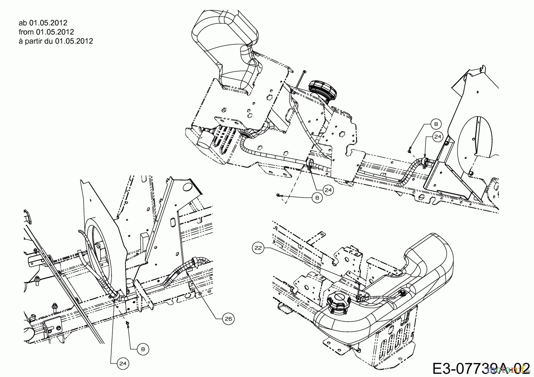
Hier finden Sie die Ersatzteilzeichnung für Cub Cadet Gartentraktoren GTX 2100 14A-3GE-603 (2013) Motorzubehör ab 01.05.2012. Wählen Sie das benötigte Ersatzteil aus der Ersatzteilliste Ihres Cub Cadet Gerätes aus und bestellen Sie einfach online. Viele Cub Cadet Ersatzteile halten wir ständig in unserem Lager für Sie bereit.
| BildNr | Artikel Nummer | Bezeichnung | |
| 8 | 710-0224 | 6KT-BLECHSCHR.#10-16:0.500:HXI | |
| 22 | 725-0157 | KABELBINDER: 3/16 X .05 X 7.4 | |
| 24 | 726-04119 | SCHELLE | |
| 26 | 731-08383 | ||



