Cub Cadet GTX 2100 14A-3GE-603 (2012) Pedale ab 24.10.2011 Ersatzteile
Pedale ab 24.10.2011 14A-3GE-603 (2012)

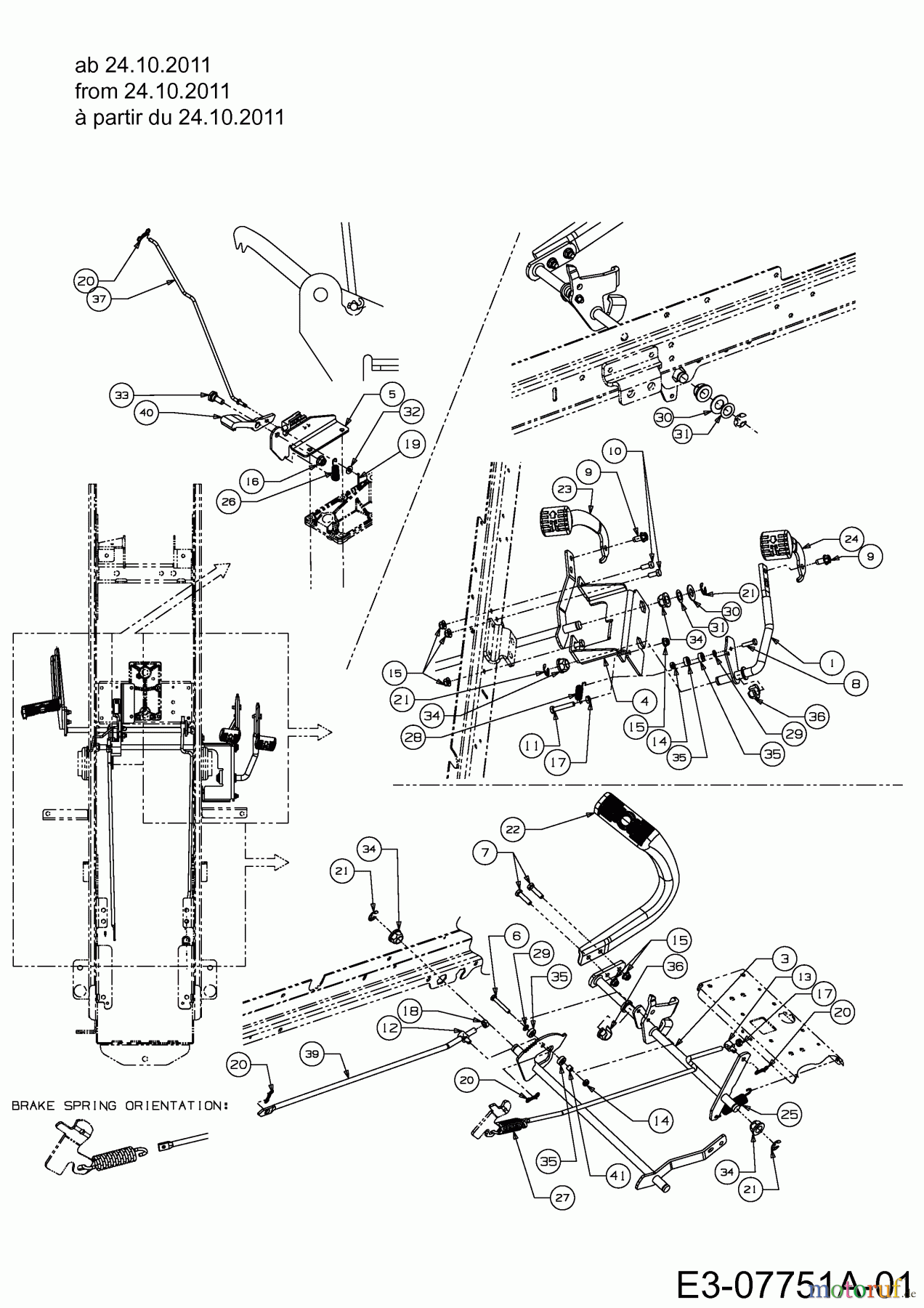
Hier finden Sie die Ersatzteilzeichnung für Cub Cadet Gartentraktoren GTX 2100 14A-3GE-603 (2012) Pedale ab 24.10.2011. Wählen Sie das benötigte Ersatzteil aus der Ersatzteilliste Ihres Cub Cadet Gerätes aus und bestellen Sie einfach online. Viele Cub Cadet Ersatzteile halten wir ständig in unserem Lager für Sie bereit.


















