Cub Cadet HDS 3235 14B-692-603 (2007) Batterie, Lenksäule Ersatzteile
Batterie, Lenksäule 14B-692-603 (2007)

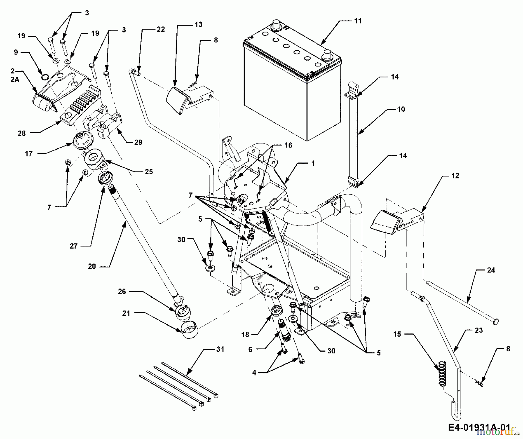
Hier finden Sie die Ersatzteilzeichnung für Cub Cadet Gartentraktoren HDS 3235 14B-692-603 (2007) Batterie, Lenksäule. Wählen Sie das benötigte Ersatzteil aus der Ersatzteilliste Ihres Cub Cadet Gerätes aus und bestellen Sie einfach online. Viele Cub Cadet Ersatzteile halten wir ständig in unserem Lager für Sie bereit.


Qualitätsmanagement
Informieren Sie uns, wenn Sie einen Fehler gefunden haben.




