Turbo Silent TS 45 BRE-T 12CET73Q667 (2003) Ersatzteile
12CET73Q667 (2003) TS 45 BRE-T

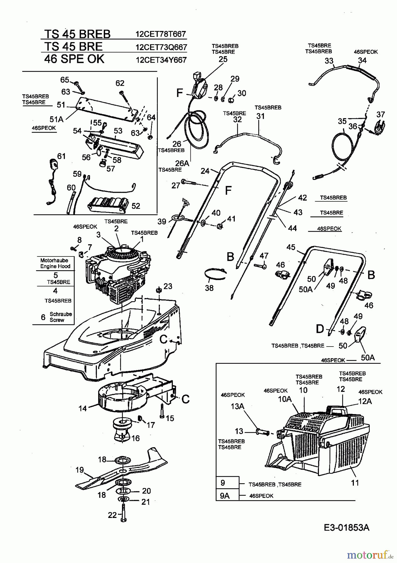
Hier finden Sie die Ersatzteilzeichnung für Turbo Silent Motormäher mit Antrieb TS 45 BRE-T 12CET73Q667 (2003) Grundgerät. Wählen Sie das benötigte Ersatzteil aus der Ersatzteilliste Ihres Turbo Silent Gerätes aus und bestellen Sie einfach online. Viele Turbo Silent Ersatzteile halten wir ständig in unserem Lager für Sie bereit.


Qualitätsmanagement
Informieren Sie uns, wenn Sie einen Fehler gefunden haben.














