Turbo Silent TSV 40 E 16AEM0G-667 (2001) Ersatzteile
16AEM0G-667 (2001) TSV 40 E

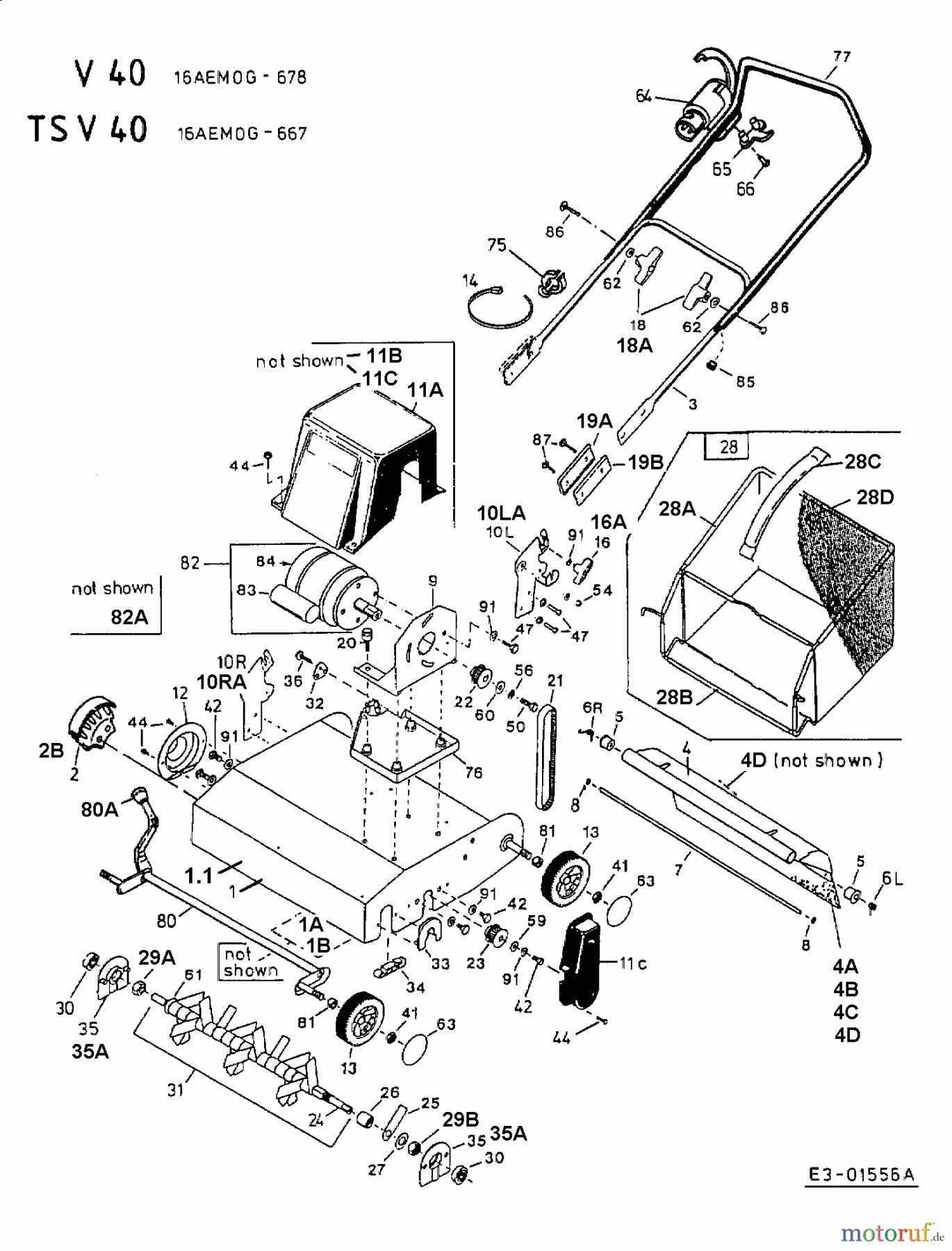
Hier finden Sie die Ersatzteilzeichnung für Turbo Silent Elektrovertikutierer TSV 40 E 16AEM0G-667 (2001) Grundgerät. Wählen Sie das benötigte Ersatzteil aus der Ersatzteilliste Ihres Turbo Silent Gerätes aus und bestellen Sie einfach online. Viele Turbo Silent Ersatzteile halten wir ständig in unserem Lager für Sie bereit.


Qualitätsmanagement
Informieren Sie uns, wenn Sie einen Fehler gefunden haben.





