Einkaufswagen
Mein Konto

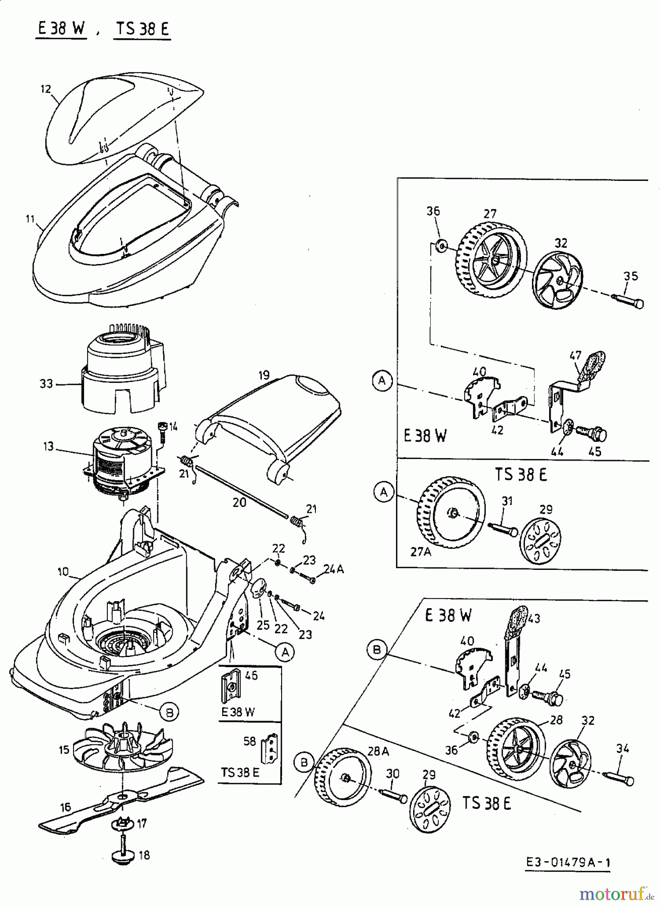
Turbo Silent TS 38 E 18D-G7F-667 (2001) Ersatzteile

18D-G7F-667 (2001) TS 38 E

 Turbo Silent Elektromäher TS 38 E 18D-G7F-667  (2001) Grundgerät

Hier finden Sie die Ersatzteilzeichnung für Turbo Silent Elektromäher TS 38 E 18D-G7F-667 (2001) Grundgerät. Wählen Sie das benötigte Ersatzteil aus der Ersatzteilliste Ihres Turbo Silent Gerätes aus und bestellen Sie einfach online. Viele Turbo Silent Ersatzteile halten wir ständig in unserem Lager für Sie bereit.

BildNrArtikel NummerBezeichnung
1 749-1192ERGO-OBERHOLM (GULL WING) -G-
2 749-1194637HOLMROHR - MTD SCHWARZ - -G-
3 000.34.303VERSCHLUSSTOPFEN GL 18
4 710-1375FL-RD-SCHR: M8x45 DIN 603-4.6
5 736-0700SCHEIBE A8.4 DIN 125
6 736-0689FAECHERSCHEIBE B 8,4 DIN 6798
7 720-0368637FLÜGELMUTTER:M8x1.25
7 720-0368668FLÜGELMUTTER
8 725-1897SCHALTER ZU BÜGEL SSK -G-
9 000.02.483PLASTITE-SCHRAUBE
10 731-2085A638RASENMÄHERGEHÄUSE 38cm NEU -G-
10 731-2085A668RASENMÄHERGEHÄUSE 38-G NEU
11 731-2086A638ABDECKUNG -G-
11 731-2086A668ABDECKUNG -G-
12 731-1792637HAUBE -G-
13 724-0300E-MOTOR 230V, 1300W - RST-
13A 731-2137LÜFTERRAD (VENTILATOR) D=165mm
14 000.02.498Sternantrieb-SCHRAUBE
15 631-0115MESSERNABE KPL.180MM -GLT-
16 Turbo Silent MESSER 38 cm               -G-742-0811MESSER 38 cm -G-
17 782-7050SICHERUNGSBLECH
18 Turbo Silent MESSERSCHRAUBE VOLLST.624-0075MESSERSCHRAUBE VOLLST.
19 731-1791A637HECKKLAPPE MIT PIKTO`S -G-
19 731-1791A668HECKKLAPPE MIT PIKTO¨S -G-
20 747-1003STANGE FÜR HECKKLAPPE -G-
21 732-0876SCHENKELFEDER
22 736-0697SCHEIBE A4,3 DIN 9021-ST
23 736-0698FÄCHERSCHEIBE A4,3 DIN 6798-ST
24 710-1350LINSEN-BLECHSCHRAUBE DIN 7981
24A 22.6417.90LINSEN-BLECHSCHRAUBE DIN 7981
25 731-1789638ABDECKKAPPE -G-
25 731-1789668ABDECKKAPPE -G-
26 000.70.563KABELBINDER 3,6x140 SCHWARZ
27 734-1894637RAD 0 185mm GLEITLAGER
28 734-1884637RAD 0 160 mm GLEITLAGER
27A 634-0145637RAD Ò 185
28A 634-0144637RAD Ø 160 M.ABDECKSCHEIBE -CG
29 720-0327668SCHRAUBBLENDE RÄDER Ò16O/185
30 738-1031RADBOLZEN:11.95x43.00:M8 -CG-
31 Turbo Silent RADBOLZEN vorne/hinten    -GQ-738-1033RADBOLZEN vorne/hinten -GQ-
32 720-0343637BEULENSCHRAUBBLENDE -CG-
33 731-2222LUFTFÜHRUNGSTOPF -G-
34 738-1026RADBOLZEN SHVN VORNE -G-
35 738-1031RADBOLZEN:11.95x43.00:M8 -CG-
36 736-0701SCHEIBE A8.4 DIN 9021
37 731-1804GEGENLAGER ZU BÜGEL SSK -ACG-
38 726-0368668KABELHALTERUNG
39 747-1035FÜHRUNGSBÜGEL VE 38 V 38 -G-
40 782-0607VERSTELLPLATTE:5 FACH
42 Turbo Silent VERSTELLARM VERZINKT782-0617AVERSTELLARM VERZINKT
43 682-0232HÖHENVERSTELLHEBEL VOLLST.
44 736-0758TELLERFEDER B25 GRP.1 DIN 2093
45 738-1030SCHRAUBE M8X24 VERZINKT
46 782-0616HALTEPLATTE
47 682-0231AHÖHENVERSTELLHEBEL VOLLST. -G-
48 731-2041KUNSTSTOFFBÜGEL -GT-
49 747-2031668SCHALTBÜGEL -G-
50 731-1824LAGER ZU BÜGEL SSK
51 22.6417.18LINSEN-BLECHSCHRAUBE DIN 7981
52 818-61161BG: GRASFANGKORB ( LARGE ) -G-
53 731-2206637GRASFANGKORB-UNTERTEIL -G-
54 731-2207637GRASFANGKORB OBERTEIL -G-
52A 818-61121GRASFANGKORB (LARGE)E-TEIL-SET
53A 731-2206637GRASFANGKORB-UNTERTEIL -G-
54A 731-2207668GRASFANGKORB-OBERTEIL -G-
55 079.06.415ZUGENTLASTUNGSSCHELLE FÜR
56 21.6421.76ZYLINDER-SCHR.M.SCHLITZ DIN 84
57 712-06896KT-MUTTER: M6 DIN 934-8
58 Turbo Silent RADPLATTE 3fache Verst.  -CGV-782-0609RADPLATTE 3fache Verst. -CGV-
Rasen
Bankeinzug, MasterCard, Visa, American Express, PayPal, Nachnahme, Vorauskasse, Sofortüberweisung
Qualitätsmanagement
Informieren Sie uns, wenn Sie einen Fehler gefunden haben.