Merox MX 45 BRB 12E-T58R667 (2007) Holm, Schaltzug Ersatzteile
Holm, Schaltzug 12E-T58R667 (2007)

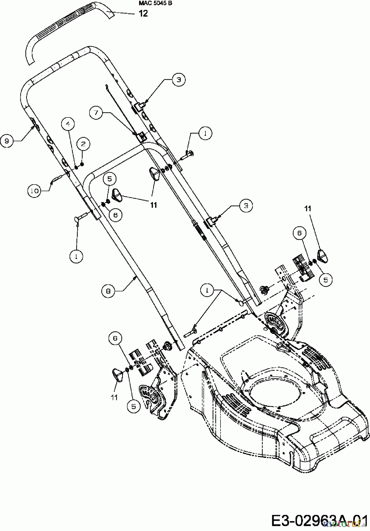
Hier finden Sie die Ersatzteilzeichnung für Merox Motormäher mit Antrieb MX 45 BRB 12E-T58R667 (2007) Holm, Schaltzug. Wählen Sie das benötigte Ersatzteil aus der Ersatzteilliste Ihres Merox Gerätes aus und bestellen Sie einfach online. Viele Merox Ersatzteile halten wir ständig in unserem Lager für Sie bereit.


Qualitätsmanagement
Informieren Sie uns, wenn Sie einen Fehler gefunden haben.






