Merox MX 45 BRB 12E-T58R667 (2007) Leitblech vorne, Leitstück hinten, Messeraufnahme Ersatzteile
Leitblech vorne, Leitstück hinten, Messeraufnahme 12E-T58R667 (2007)

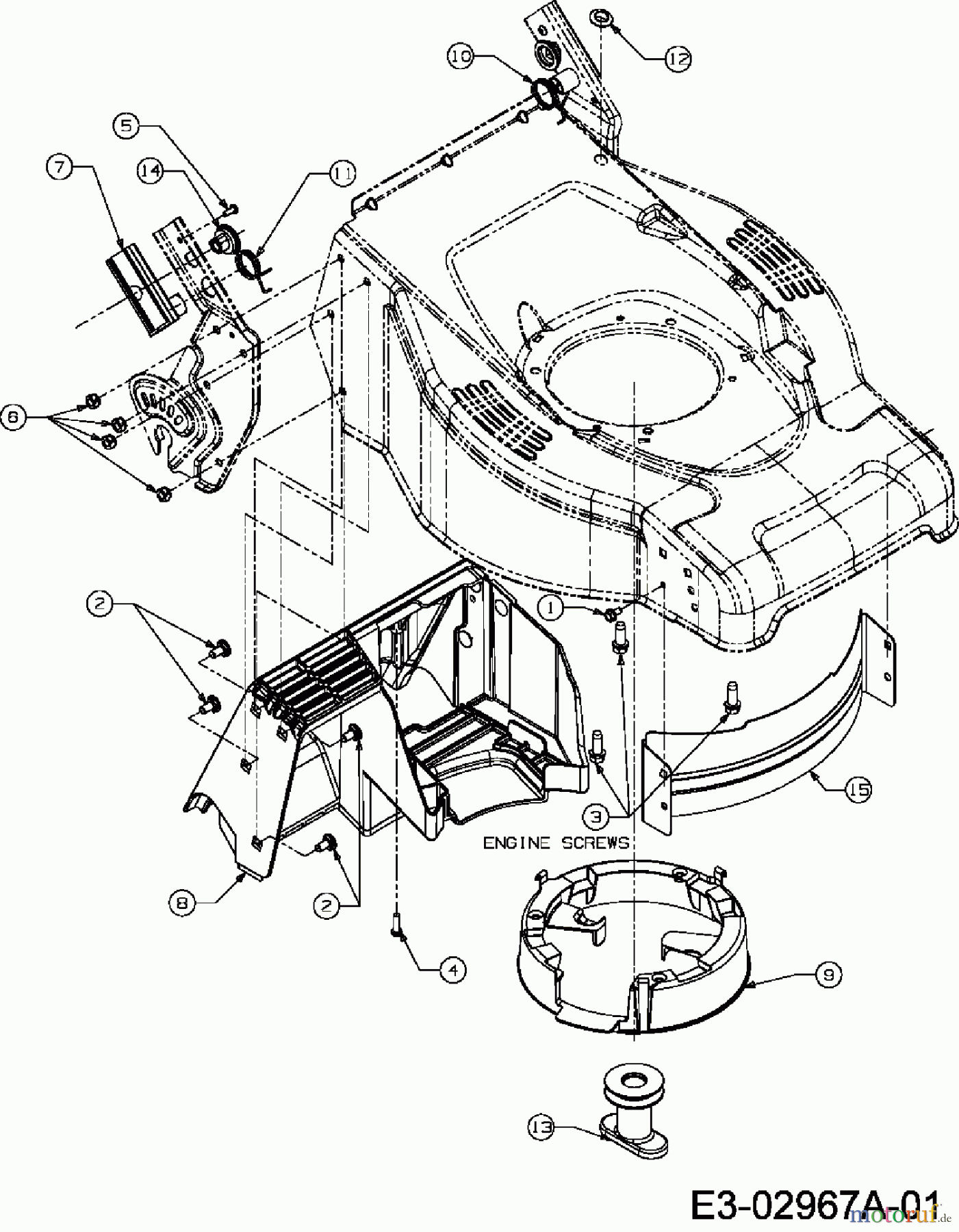
Hier finden Sie die Ersatzteilzeichnung für Merox Motormäher mit Antrieb MX 45 BRB 12E-T58R667 (2007) Leitblech vorne, Leitstück hinten, Messeraufnahme. Wählen Sie das benötigte Ersatzteil aus der Ersatzteilliste Ihres Merox Gerätes aus und bestellen Sie einfach online. Viele Merox Ersatzteile halten wir ständig in unserem Lager für Sie bereit.


Qualitätsmanagement
Informieren Sie uns, wenn Sie einen Fehler gefunden haben.






