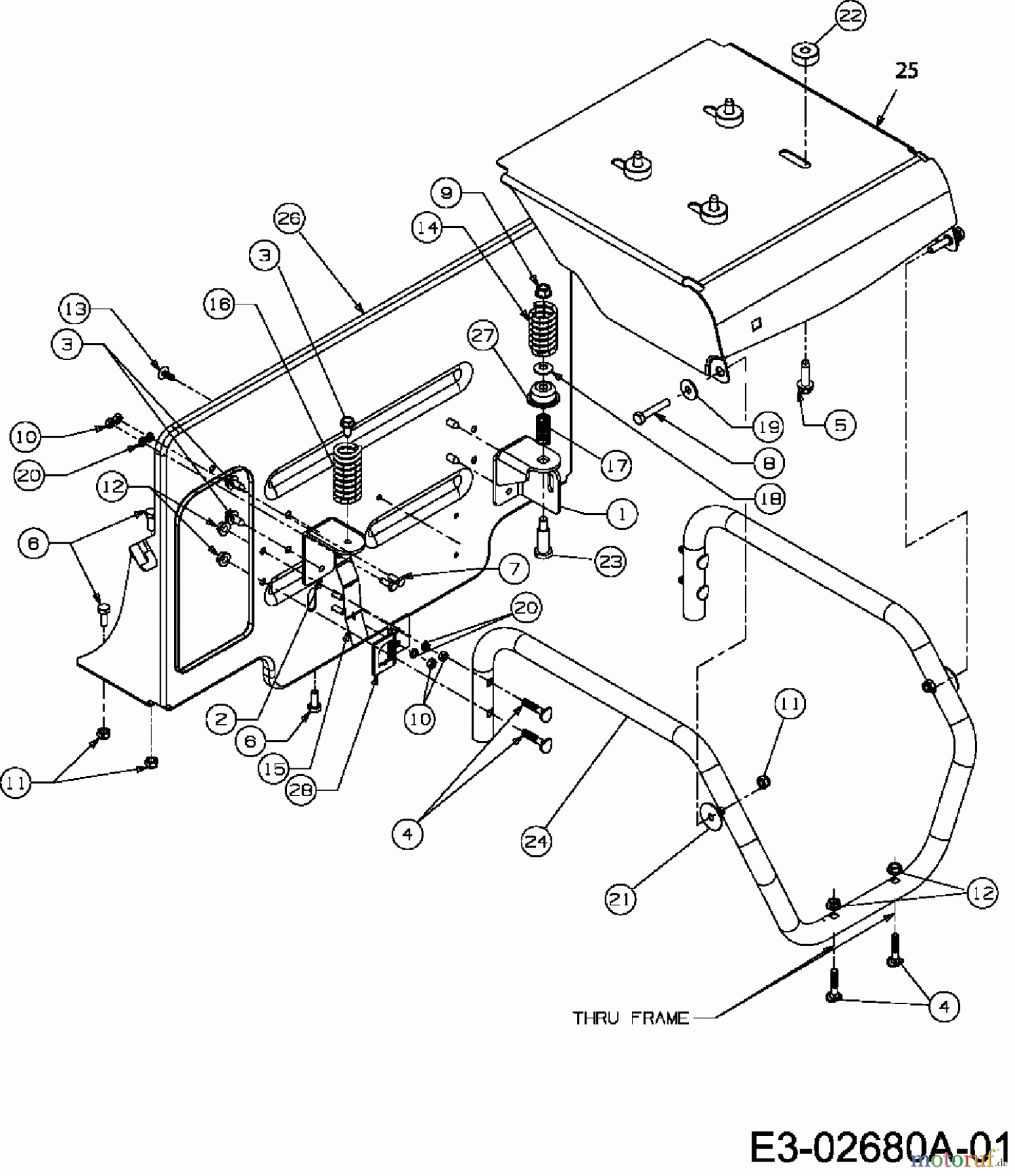
Merox MX PINTO DX 60 13B7064-667 (2006) Sitzträger Ersatzteile
Sitzträger 13B7064-667 (2006)

Hier finden Sie die Ersatzteilzeichnung für Merox Rasentraktoren MX PINTO DX 60 13B7064-667 (2006) Sitzträger. Wählen Sie das benötigte Ersatzteil aus der Ersatzteilliste Ihres Merox Gerätes aus und bestellen Sie einfach online. Viele Merox Ersatzteile halten wir ständig in unserem Lager für Sie bereit.









