Merox MX 40 E 18D-N4S-667 (2009) Mähwerksgehäuse, Schnitthöhenverstellung Ersatzteile
Mähwerksgehäuse, Schnitthöhenverstellung 18D-N4S-667 (2009)

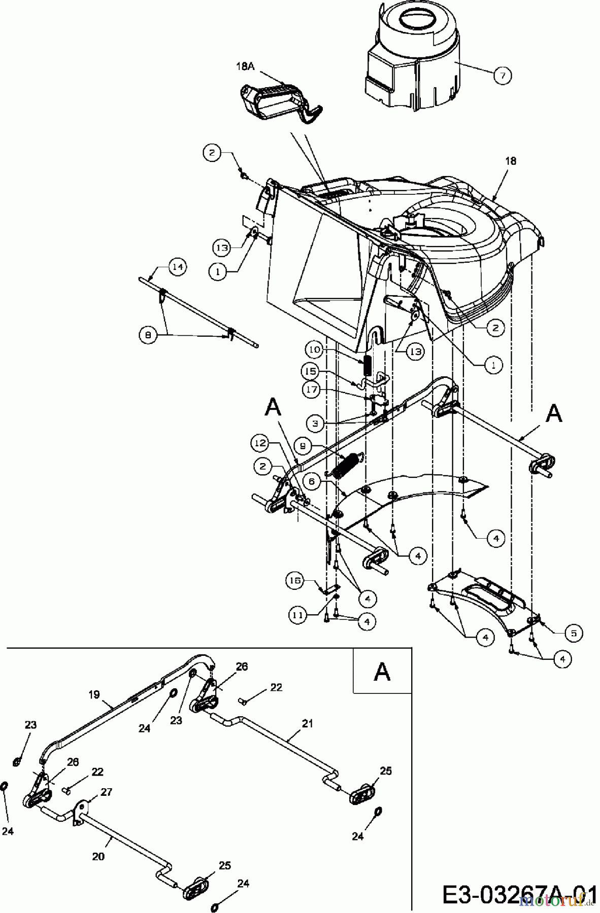
Hier finden Sie die Ersatzteilzeichnung für Merox Elektromäher MX 40 E 18D-N4S-667 (2009) Mähwerksgehäuse, Schnitthöhenverstellung. Wählen Sie das benötigte Ersatzteil aus der Ersatzteilliste Ihres Merox Gerätes aus und bestellen Sie einfach online. Viele Merox Ersatzteile halten wir ständig in unserem Lager für Sie bereit.


Qualitätsmanagement
Informieren Sie uns, wenn Sie einen Fehler gefunden haben.






