Golf BRL 04068.02 (1997) Ersatzteile
04068.02 (1997) BRL

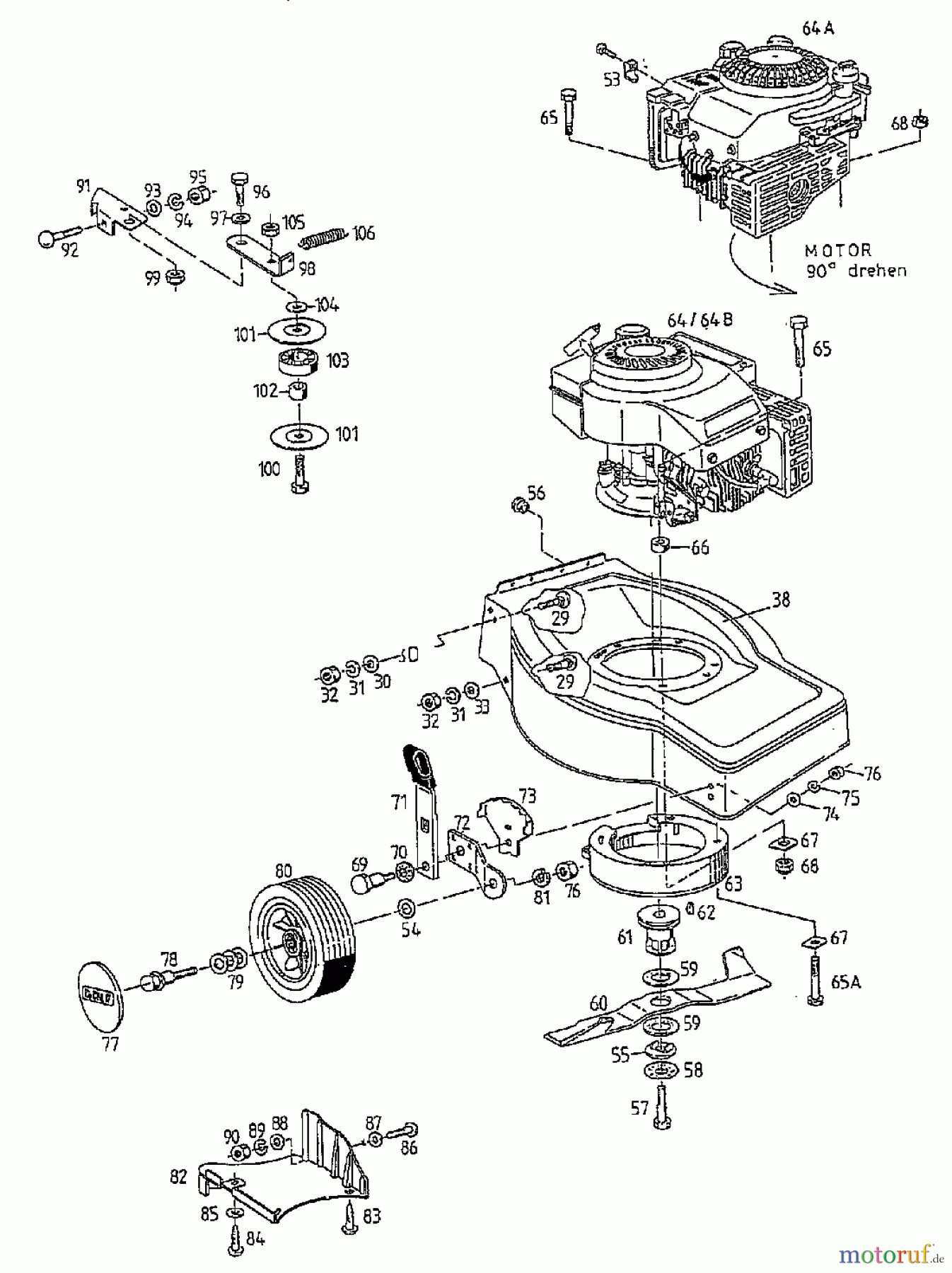
Hier finden Sie die Ersatzteilzeichnung für Golf Motormäher mit Antrieb BRL 04068.02 (1997) Grundgerät. Wählen Sie das benötigte Ersatzteil aus der Ersatzteilliste Ihres Golf Gerätes aus und bestellen Sie einfach online. Viele Golf Ersatzteile halten wir ständig in unserem Lager für Sie bereit.


Qualitätsmanagement
Informieren Sie uns, wenn Sie einen Fehler gefunden haben.

