Golf 245 HR 4 02647.05 (1986) Fahrantrieb, Räder Ersatzteile
Fahrantrieb, Räder 02647.05 (1986)

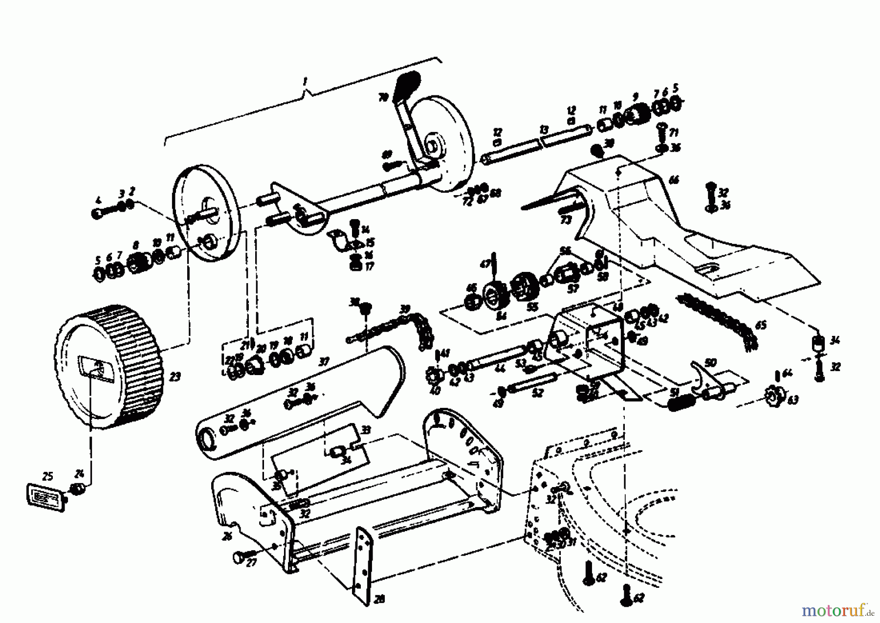
Hier finden Sie die Ersatzteilzeichnung für Golf Motormäher mit Antrieb 245 HR 4 02647.05 (1986) Fahrantrieb, Räder. Wählen Sie das benötigte Ersatzteil aus der Ersatzteilliste Ihres Golf Gerätes aus und bestellen Sie einfach online. Viele Golf Ersatzteile halten wir ständig in unserem Lager für Sie bereit.


Qualitätsmanagement
Informieren Sie uns, wenn Sie einen Fehler gefunden haben.


