Golf SPIDER 270 SD 4 04015.08 (1992) Räder hinten Ersatzteile
Räder hinten 04015.08 (1992)

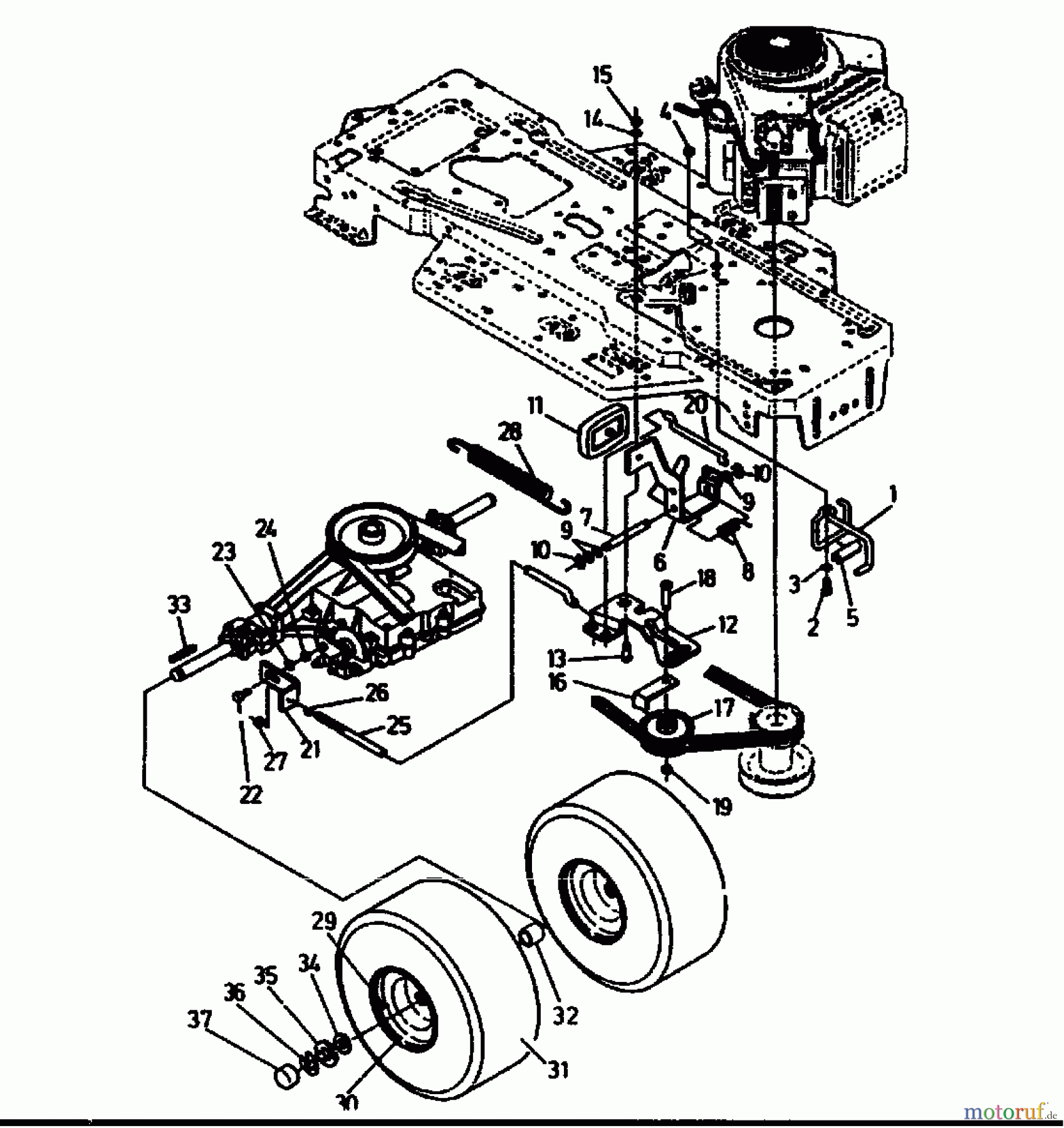
Hier finden Sie die Ersatzteilzeichnung für Golf Rasentraktoren SPIDER 270 SD 4 04015.08 (1992) Räder hinten. Wählen Sie das benötigte Ersatzteil aus der Ersatzteilliste Ihres Golf Gerätes aus und bestellen Sie einfach online. Viele Golf Ersatzteile halten wir ständig in unserem Lager für Sie bereit.



