Golf 125/102 13AL761N607 (1998) Armaturenbrett, Motorhaube, Sitzwanne Ersatzteile
Armaturenbrett, Motorhaube, Sitzwanne 13AL761N607 (1998)

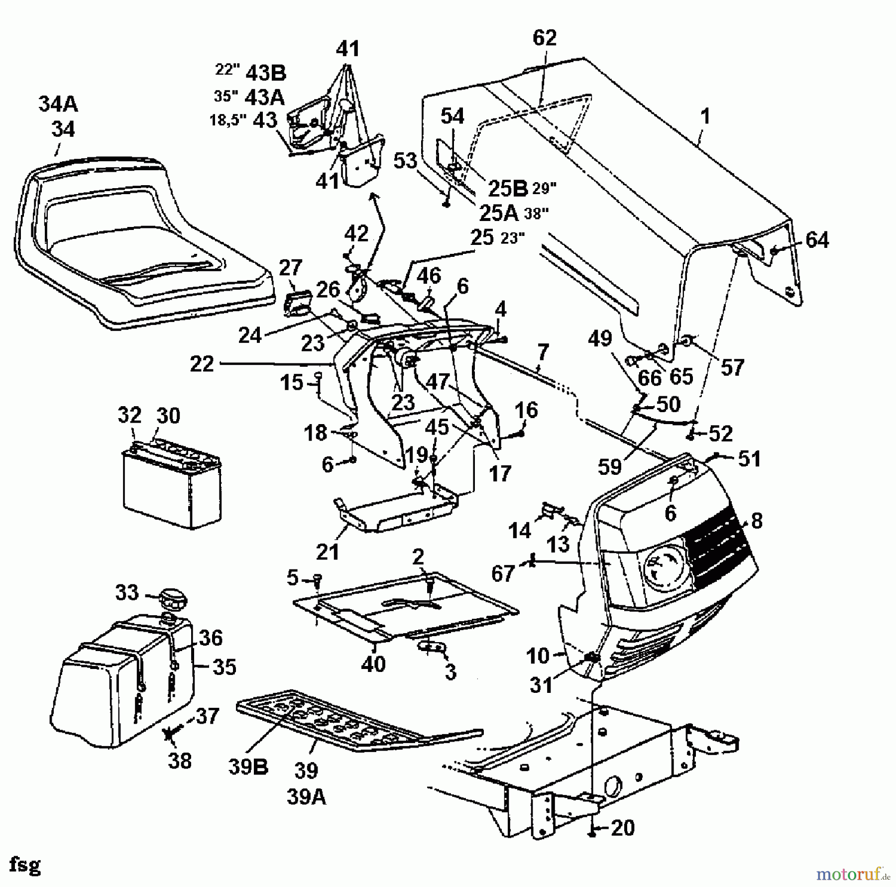
Hier finden Sie die Ersatzteilzeichnung für Golf Rasentraktoren 125/102 13AL761N607 (1998) Armaturenbrett, Motorhaube, Sitzwanne. Wählen Sie das benötigte Ersatzteil aus der Ersatzteilliste Ihres Golf Gerätes aus und bestellen Sie einfach online. Viele Golf Ersatzteile halten wir ständig in unserem Lager für Sie bereit.


Qualitätsmanagement
 Informieren Sie uns, wenn Sie einen Fehler gefunden haben.
























