Golf 250 MS 4 04034.02 (1995) Hackantrieb Ersatzteile
Hackantrieb 04034.02 (1995)

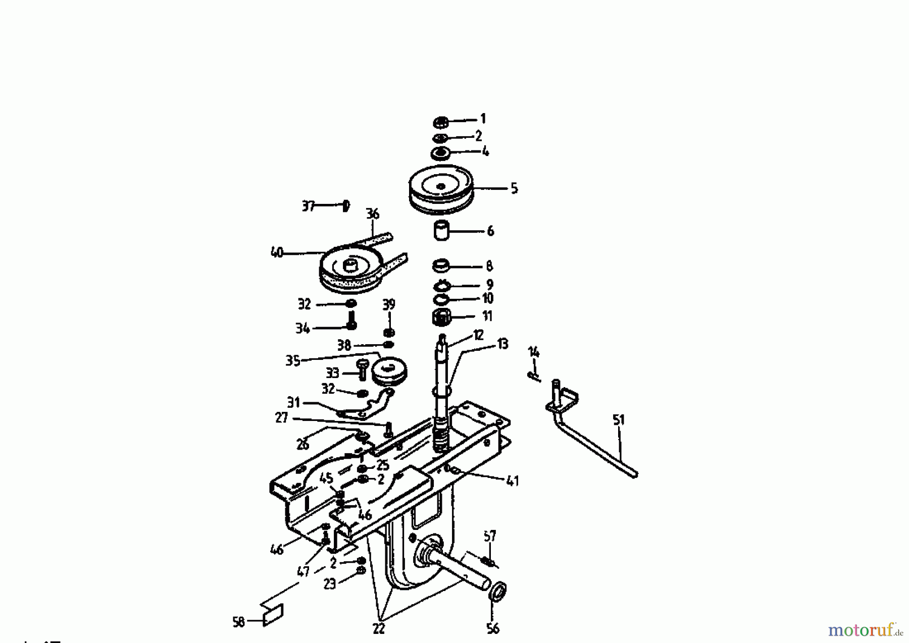
Hier finden Sie die Ersatzteilzeichnung für Golf Motorhacken 250 MS 4 04034.02 (1995) Hackantrieb. Wählen Sie das benötigte Ersatzteil aus der Ersatzteilliste Ihres Golf Gerätes aus und bestellen Sie einfach online. Viele Golf Ersatzteile halten wir ständig in unserem Lager für Sie bereit.


Qualitätsmanagement
Informieren Sie uns, wenn Sie einen Fehler gefunden haben.


