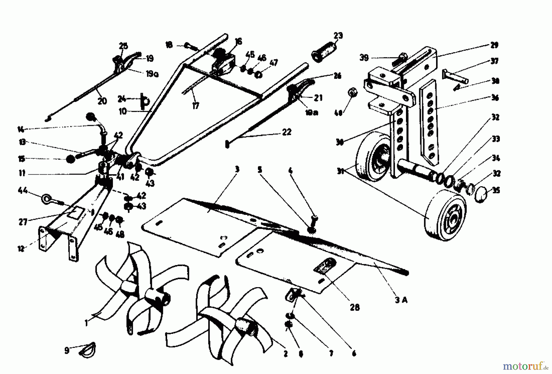
Golf 162 MS 4 07514.04 (1989) Hacksterne, Holm Ersatzteile
Hacksterne, Holm 07514.04 (1989)

Hier finden Sie die Ersatzteilzeichnung für Golf Motorhacken 162 MS 4 07514.04 (1989) Hacksterne, Holm. Wählen Sie das benötigte Ersatzteil aus der Ersatzteilliste Ihres Golf Gerätes aus und bestellen Sie einfach online. Viele Golf Ersatzteile halten wir ständig in unserem Lager für Sie bereit.



