Golf Perfecta 15" 02615.02 (1987) Ersatzteile
02615.02 (1987) Perfecta 15"

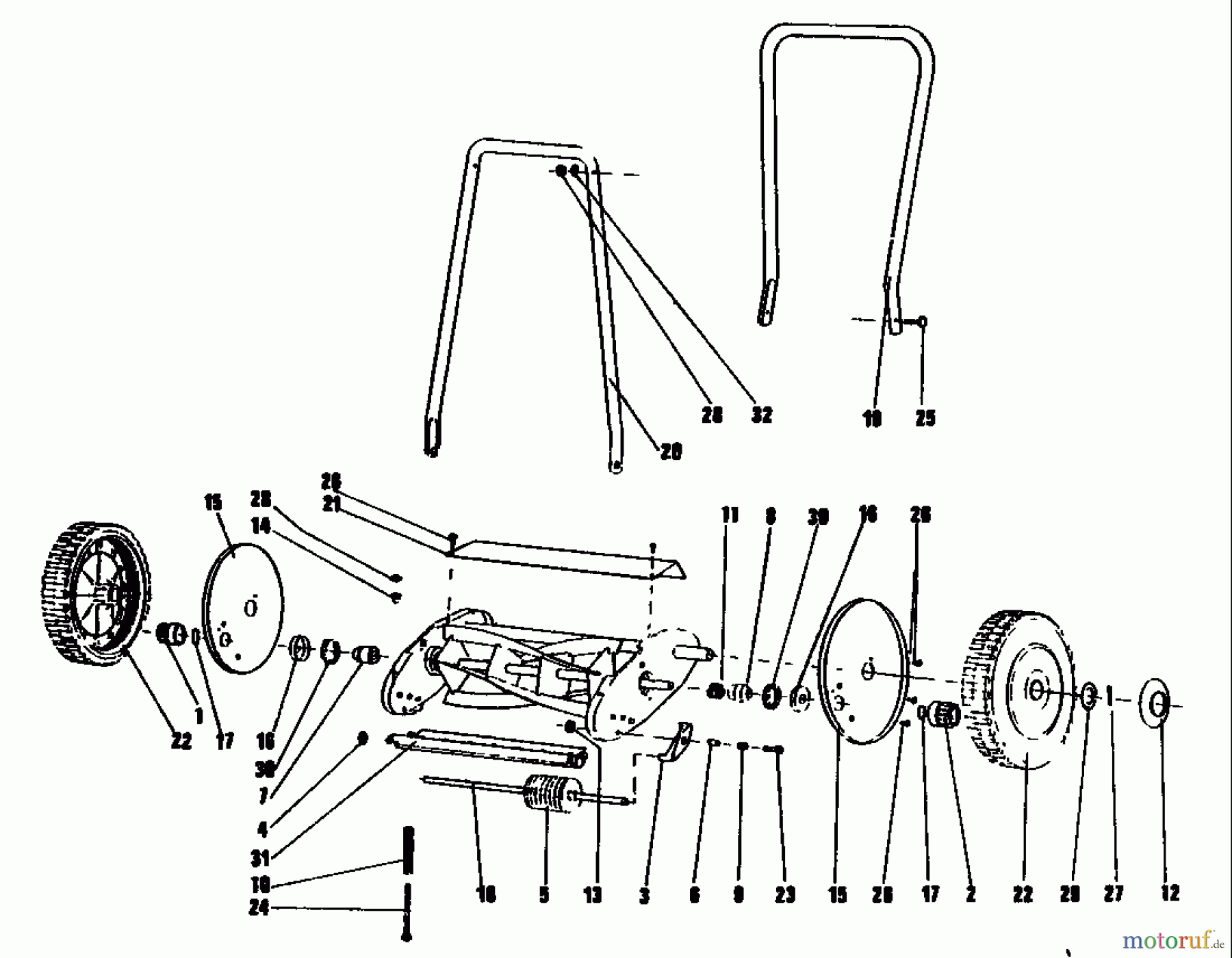
Hier finden Sie die Ersatzteilzeichnung für Golf Handspindelmäher Perfecta 15" 02615.02 (1987) Grundgerät. Wählen Sie das benötigte Ersatzteil aus der Ersatzteilliste Ihres Golf Gerätes aus und bestellen Sie einfach online. Viele Golf Ersatzteile halten wir ständig in unserem Lager für Sie bereit.



