Einkaufswagen
Mein Konto

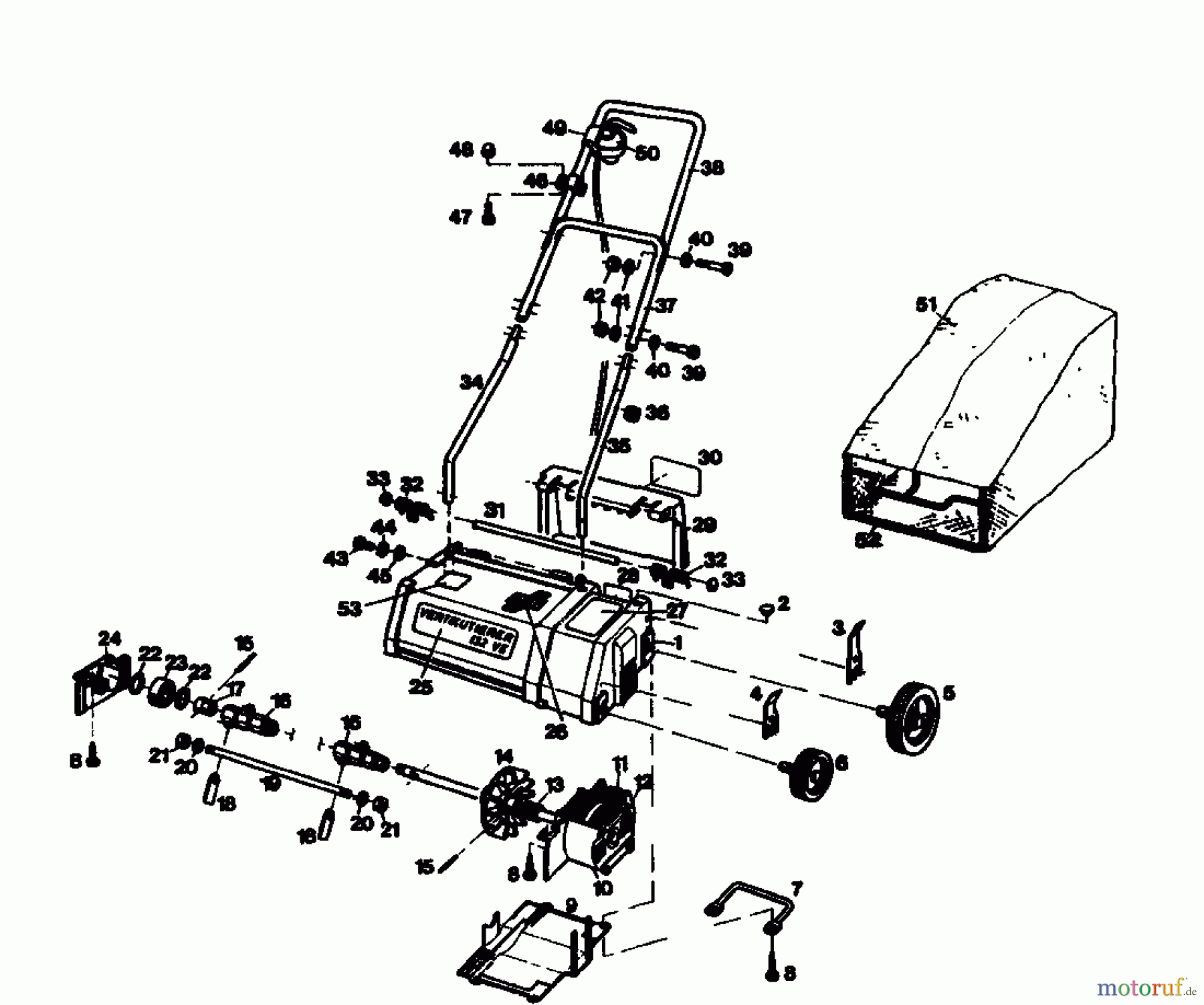
Golf 132 VE 02890.01 (1985) Ersatzteile

02890.01 (1985) 132 VE

 Golf Elektrovertikutierer 132 VE 02890.01  (1985) Grundgerät

Hier finden Sie die Ersatzteilzeichnung für Golf Elektrovertikutierer 132 VE 02890.01 (1985) Grundgerät. Wählen Sie das benötigte Ersatzteil aus der Ersatzteilliste Ihres Golf Gerätes aus und bestellen Sie einfach online. Viele Golf Ersatzteile halten wir ständig in unserem Lager für Sie bereit.

BildNrArtikel NummerBezeichnung
1 079.85.871LIEFERUMFANG GEHAEUSE
2 000.70.557KAPSTO-VERSCHLUSSTOPFEN F18
3 079.29.490VERSTELLHEBEL HINTEN
4 079.29.483VERSTELLHEBEL VORNE VERZINKT
5 079.29.986RAD WEISS MIT BOLZEN
6 079.29.987RAD WEISS MIT BOLZEN
7 079.85.211ABSTUETZBUEGEL
8 000.02.417PLASTITE-SCHRAUBE
9 079.85.204ABDECKUNG
10 079.11.689E-MOTOR 850 W VOLLST.
11 079.38.096KONDENSATOR
12 079.38.126ISOLIERKOERPER 2-POL.
13 000.30.275DRUCKFEDER
14 079.85.200LUEFTERFLUEGEL
15 25.3197.95SPANNHUELSE DIN 1481
16 079.85.175MESSERHALTER
17 079.85.176ENDSTUECK
18 079.85.179VERTIKUTIERMESSER
19 Golf STANGE079.85.205STANGE
20 24.6481.14SCHEIBE A 6,4 DIN 125-St
21 24.1426.14SICHERUNGSMUTTER-ANS DIN 985
22 28.3591.17SICHERUNGSRING DIN 471
23 26.1027.43RILLENKUGELLAGER DIN 625
24 079.85.192LAGERUNG
25 000.49.467NAMENSCHILD
26 000.49.159GOLF-KLEBESCHILD
27 000.48.911HINWEISSCHILD
28 000.49.466TYPENSCHILD
29 079.85.201HECKKLAPPE
30 000.48.952HINWEISSCHILD
31 079.85.206STANGE
32 000.31.166SCHENKELFEDER
33 000.02.427SCHNELLBEFESTIGER MIT KAPPE 7S
34 079.05.289HOLMROHR RECHTS
35 079.05.290HOLMROHR LINKS
36 000.13.064KABELSCHELLE:SCHWARZ RAL 9005
37 079.05.299UNTERHOLM
38 079.05.871OBERHOLM VOLLST.
39 23.5422.20LINSENSCHRAUBE M.KREUZDIN 7985
40 24.6481.14SCHEIBE A 6,4 DIN 125-St
41 24.8191.14FAECHERSCHEIBE DIN 6798
42 24.1421.14SECHSKANTMUTTER DIN 934
43 22.6418.35LINSEN-BLECHSCHRAUBE DIN 7981
45 24.6486.13SCHEIBE DIN 9021-ST
46 079.05.195ZUGENTLASTUNGSSCHELLE
47 21.6421.75ZYLINDER-SCHR.M.SCHLITDIN 84
48 24.3423.14HUTMUTTER:M6 5S DIN 1587
49 079.38.725SCHALTER-STECKER-KOMBINATION
50 000.49.309HINWEISSCHILD "EINSCHALTEN"
51 079.80.837GRASFANGSACK
52 079.80.836GRASFANGSACKGESTELL VOLLST.INC
53 000.49.081HINWEISSCHILD
Rasen
Bankeinzug, MasterCard, Visa, American Express, PayPal, Nachnahme, Vorauskasse, Sofortüberweisung
Qualitätsmanagement
Informieren Sie uns, wenn Sie einen Fehler gefunden haben.