Golf E 02881.01 (1989) Ersatzteile
02881.01 (1989) E

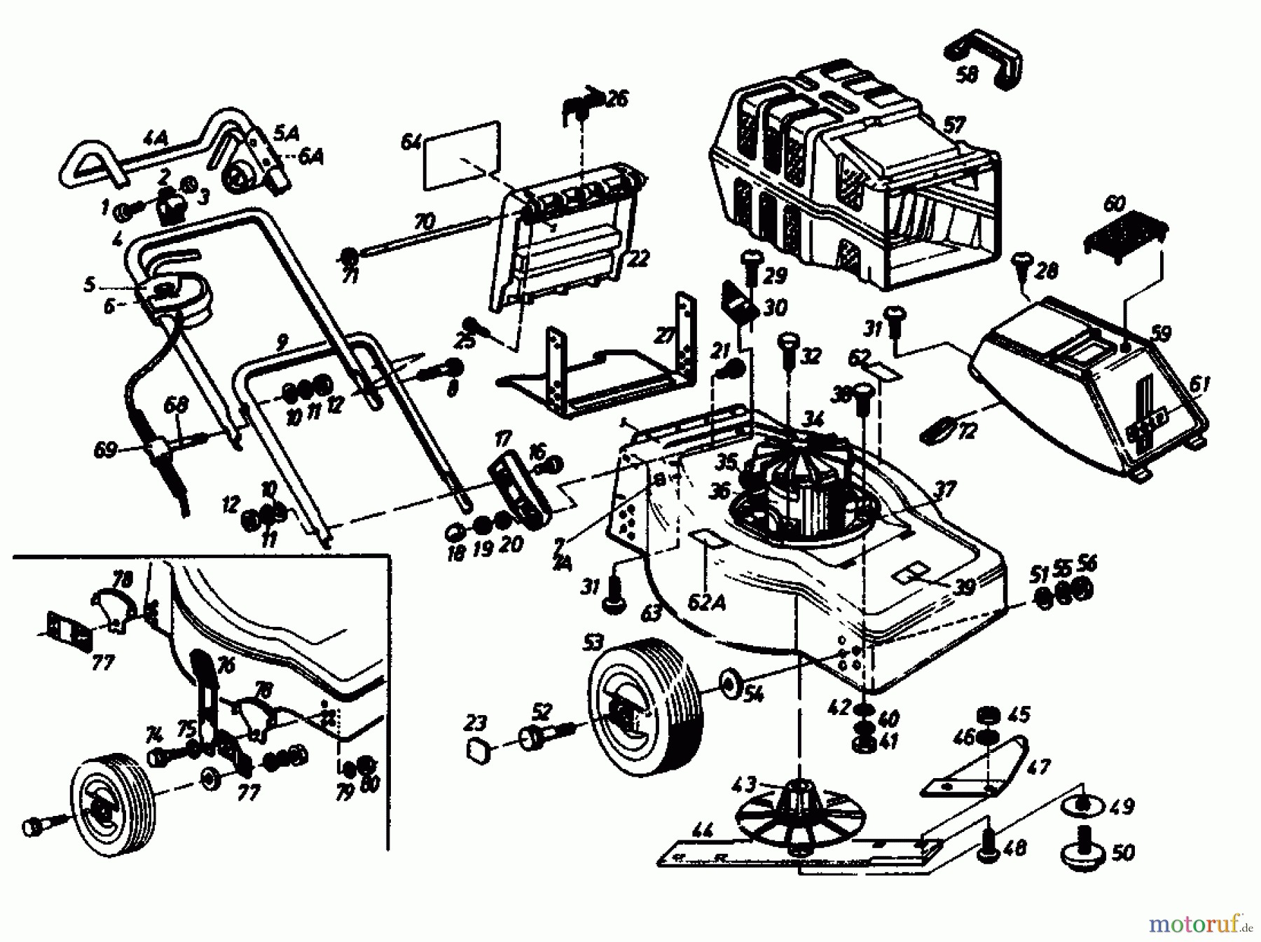
Hier finden Sie die Ersatzteilzeichnung für Golf Elektromäher E 02881.01 (1989) Grundgerät. Wählen Sie das benötigte Ersatzteil aus der Ersatzteilliste Ihres Golf Gerätes aus und bestellen Sie einfach online. Viele Golf Ersatzteile halten wir ständig in unserem Lager für Sie bereit.


Qualitätsmanagement
Informieren Sie uns, wenn Sie einen Fehler gefunden haben.

