Golf 345 HLES 02841.03 (1987) Ersatzteile
02841.03 (1987) 345 HLES

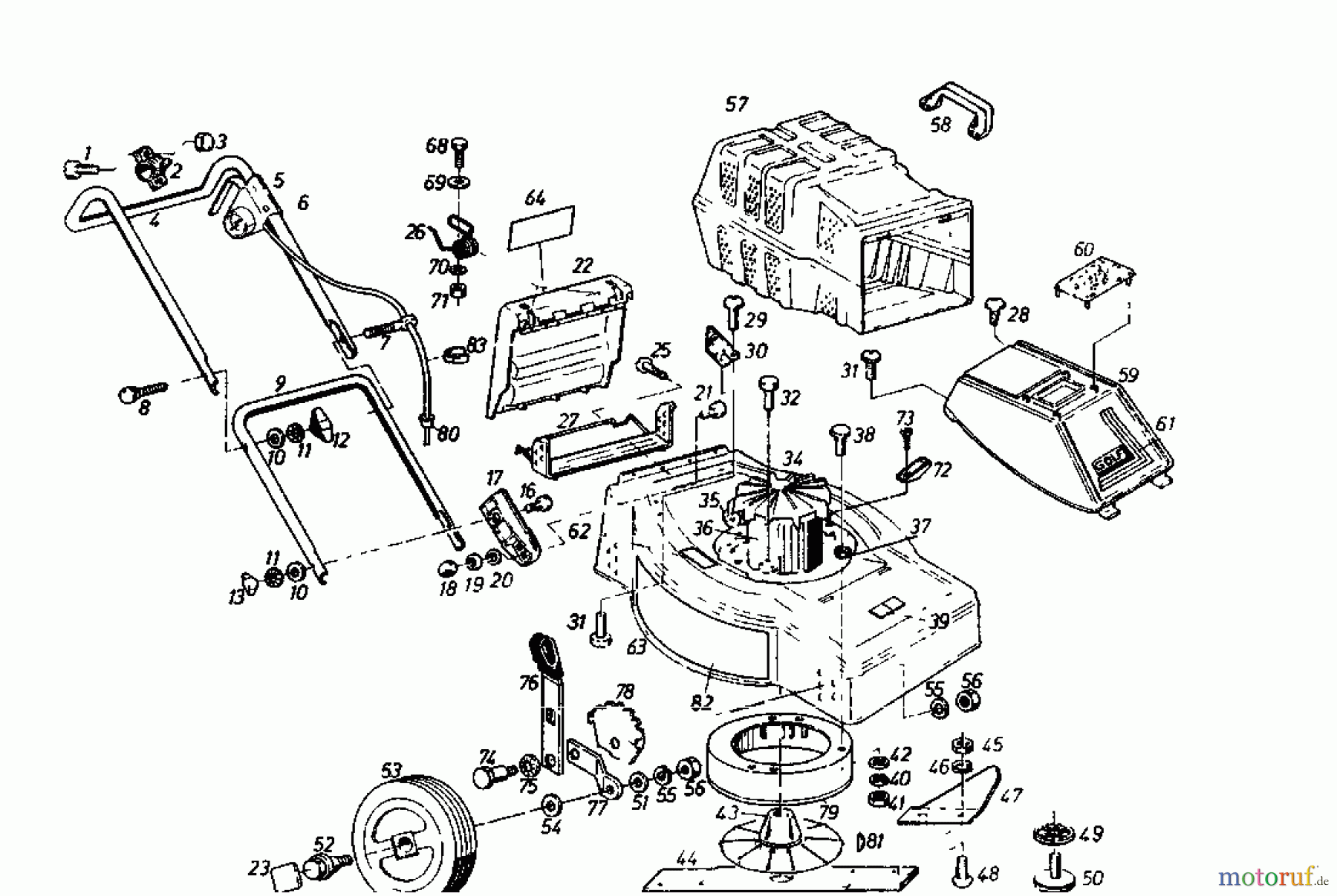
Hier finden Sie die Ersatzteilzeichnung für Golf Elektromäher 345 HLES 02841.03 (1987) Grundgerät. Wählen Sie das benötigte Ersatzteil aus der Ersatzteilliste Ihres Golf Gerätes aus und bestellen Sie einfach online. Viele Golf Ersatzteile halten wir ständig in unserem Lager für Sie bereit.




