Golf 245 HLE-ÖVE 02623.09 (1987) Ersatzteile
02623.09 (1987) 245 HLE-ÖVE

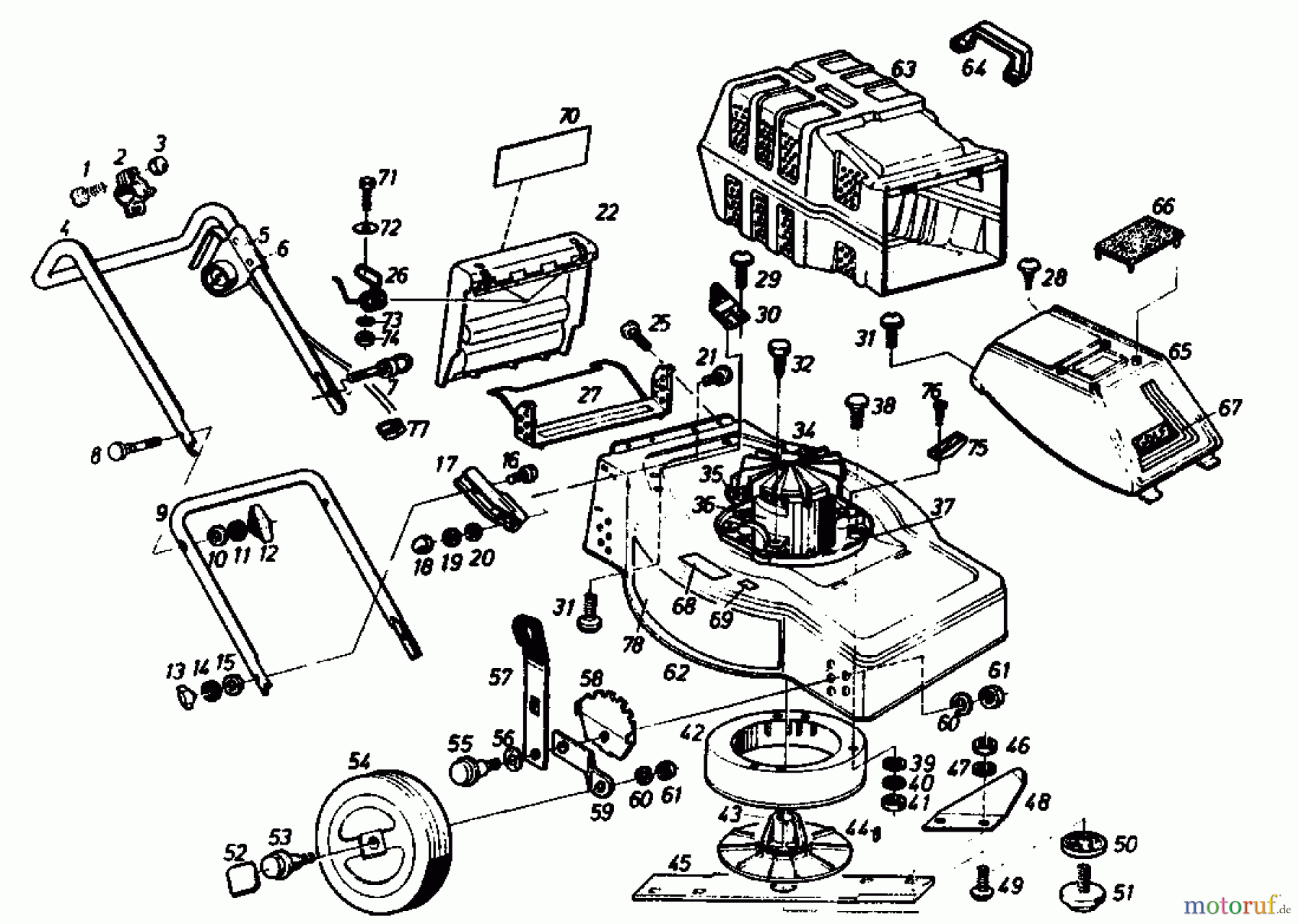
Hier finden Sie die Ersatzteilzeichnung für Golf Elektromäher 245 HLE-ÖVE 02623.09 (1987) Grundgerät. Wählen Sie das benötigte Ersatzteil aus der Ersatzteilliste Ihres Golf Gerätes aus und bestellen Sie einfach online. Viele Golf Ersatzteile halten wir ständig in unserem Lager für Sie bereit.


Qualitätsmanagement
Informieren Sie uns, wenn Sie einen Fehler gefunden haben.


