Golf 245 HLE 02623.08 (1987) Ersatzteile
02623.08 (1987) 245 HLE

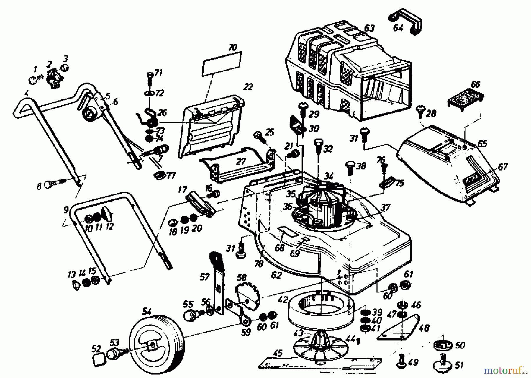
Hier finden Sie die Ersatzteilzeichnung für Golf Elektromäher 245 HLE 02623.08 (1987) Grundgerät. Wählen Sie das benötigte Ersatzteil aus der Ersatzteilliste Ihres Golf Gerätes aus und bestellen Sie einfach online. Viele Golf Ersatzteile halten wir ständig in unserem Lager für Sie bereit.




