Einstellungen Computer

Golf 132 HE-CH 02872.07 (1987) Ersatzteile

02872.07 (1987) 132 HE-CH

 Golf Elektromäher 132 HE-CH 02872.07  (1987) Grundgerät

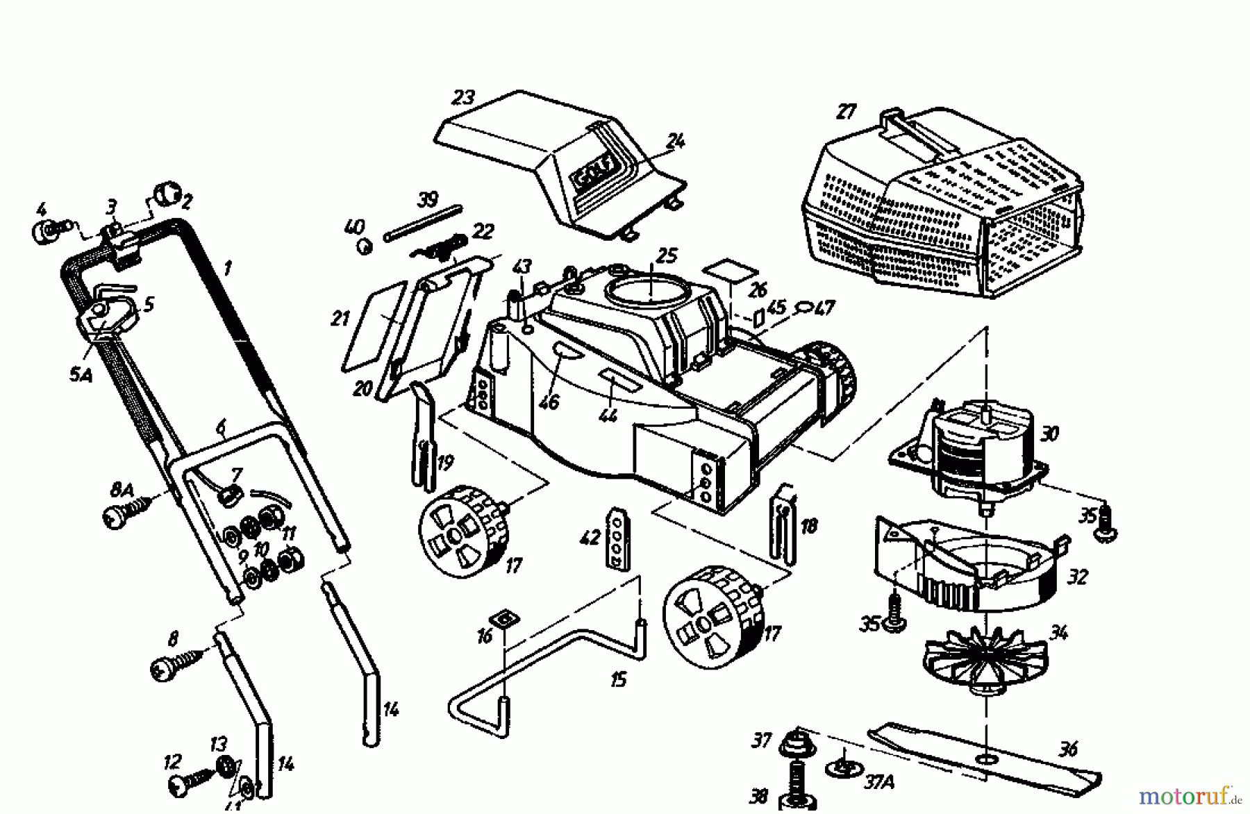
Hier finden Sie die Ersatzteilzeichnung für Golf Elektromäher 132 HE-CH 02872.07 (1987) Grundgerät. Wählen Sie das benötigte Ersatzteil aus der Ersatzteilliste Ihres Golf Gerätes aus und bestellen Sie einfach online. Viele Golf Ersatzteile halten wir ständig in unserem Lager für Sie bereit.

BildNrArtikel NummerBezeichnung
~0093482
1 079.058.601
2 24.3423.14HUTMUTTER:M6 5S DIN 1587
3 079.05.308ZUGENTLASTUNGSSCHELLE
4 21.6421.75ZYLINDER-SCHR.M.SCHLITDIN 84
5 079.38.721SCHALTER-STECKER-KOMBINATION
6 079.05.322UNTERHOLM RAL 9010 WEISS
7 000.13.064KABELSCHELLE:SCHWARZ RAL 9005
8 23.5422.20LINSENSCHRAUBE M.KREUZDIN 7985
9 24.6481.14SCHEIBE A 6,4 DIN 125-St
10 24.81191.14
11 24.1421.14SECHSKANTMUTTER DIN 934
12 22.6418.35LINSEN-BLECHSCHRAUBE DIN 7981
13 24.8191.09FAECHERSCHEIBE A4,3 DIN 6798
14 079.05.204HOLMROHR WEISS PULVERB.
15 079.25.423HECKBUEGEL
16 000.55.027SICHERUNGSCLIP
17 079.29.767RAD 5" SCHWARZ E-TEIL-SET
18 079.29.379VERSTELLHEBEL VORNE
19 079.29.380VERSTELLHEBEL HINTEN
20 079.25.569HECKKLAPPE - SMALL - -A-
21 000.49.426HINWEISSCHILD
22 000.31.165SCHENKELFEDER
23 079.24.847E-TEIL-SET LIEFERUMFANG HAUBE
24 000.49.535GOLF-KLEBESCHILD
25 079.26.850RASENMAEHERGEHAEUSE VOLLST.
26 000.49.128TYPENSCHILD
26 000.49.463TYPENSCHILD
27 079.80.129KORBHAELFTE GRÜN RAL 6005
30 079.11.683E-MOTOR 750 W MIT BREMSE VOLLS
30 079.11.681E-MOTOR 600 W MIT BREMSE VOLLS
32 079.25.425ABDECKUNG SCHWARZ RAL 9005
34 079.11.304LUEFTERRAD
34 079.11.267LUEFTERRAD RAL 9005
35 000.02.417PLASTITE-SCHRAUBE
36 079.11.267LUEFTERRAD RAL 9005
36 079.77.185MESSER 32cm -A-
37 079.77.184SICHERUNGSSCHEIBE
38 Golf MESSERSCHRAUBE VOLLST.079.77.626MESSERSCHRAUBE VOLLST.
39 079.25.506STANGE VERZINKT
40 000.02.424SCHNELLBEFESTIGER MIT KAPPE
42 079.25.488LAGERVERSTAERKUNG
43 000.48.603UMWELT-KENNZEICHEN
44 000.49.352SUVA-AUFKLEBER
45 000.49.352SUVA-AUFKLEBER
46 000.49.544AUFKLEBER FUER WINDKANAL
47 000.49.493HINWEISSCHILD (OEVE-ZEICHEN)
5A 000.49.309HINWEISSCHILD "EINSCHALTEN"
8A 23.5422.21LINSENSCHR. MIT KREUZ DIN 7985
41 24.6486.13SCHEIBE DIN 9021-ST
37A 079.77.110SICHERUNGSBLECH
Rasen
Bankeinzug, MasterCard, Visa, American Express, PayPal, Nachnahme, Vorauskasse, Sofortüberweisung
Datenschutzerklärung Impressum
Qualitätsmanagement
Informieren Sie uns, wenn Sie einen Fehler gefunden haben.