Golf 370 BMR 4 07510.05 (1995) Fahrantrieb, Räder Ersatzteile
Fahrantrieb, Räder 07510.05 (1995)

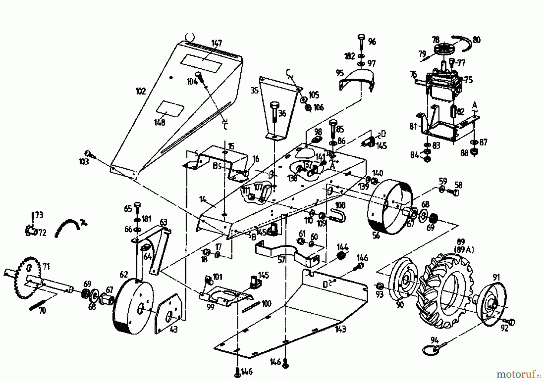
Hier finden Sie die Ersatzteilzeichnung für Golf Balkenmäher 370 BMR 4 07510.05 (1995) Fahrantrieb, Räder. Wählen Sie das benötigte Ersatzteil aus der Ersatzteilliste Ihres Golf Gerätes aus und bestellen Sie einfach online. Viele Golf Ersatzteile halten wir ständig in unserem Lager für Sie bereit.



