Golf 370 BMR 4 07510.05 (1993) Getriebe Ersatzteile
Getriebe 07510.05 (1993)

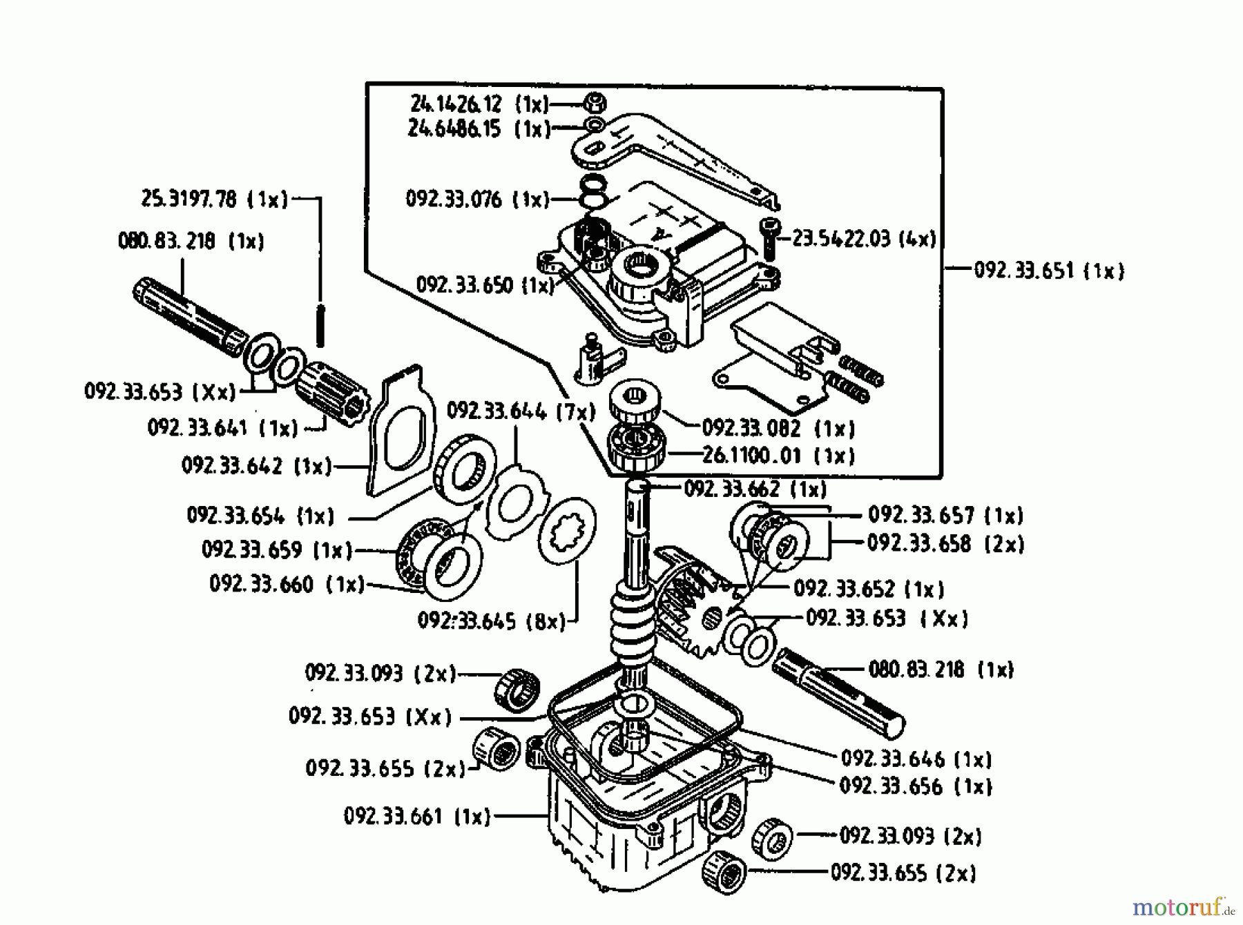
Hier finden Sie die Ersatzteilzeichnung für Golf Balkenmäher 370 BMR 4 07510.05 (1993) Getriebe. Wählen Sie das benötigte Ersatzteil aus der Ersatzteilliste Ihres Golf Gerätes aus und bestellen Sie einfach online. Viele Golf Ersatzteile halten wir ständig in unserem Lager für Sie bereit.



