Yard-Man YM 84 M-W 31AY95KV643 (2011) Fahrantrieb, Fräsantrieb, Motor Ersatzteile
Fahrantrieb, Fräsantrieb, Motor 31AY95KV643 (2011)

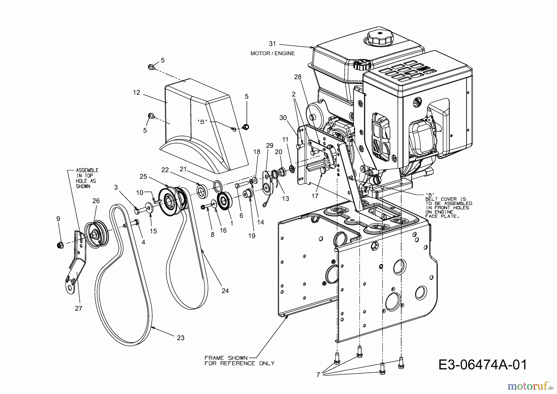
Hier finden Sie die Ersatzteilzeichnung für Yard-Man Schneefräsen YM 84 M-W 31AY95KV643 (2011) Fahrantrieb, Fräsantrieb, Motor. Wählen Sie das benötigte Ersatzteil aus der Ersatzteilliste Ihres Yard-Man Gerätes aus und bestellen Sie einfach online. Viele Yard-Man Ersatzteile halten wir ständig in unserem Lager für Sie bereit.


Qualitätsmanagement
Informieren Sie uns, wenn Sie einen Fehler gefunden haben.












