Yard-Man YM 76 M-T 31AY75LU643 (2011) Abdeckung Armaturenbrett Ersatzteile
Abdeckung Armaturenbrett 31AY75LU643 (2011)

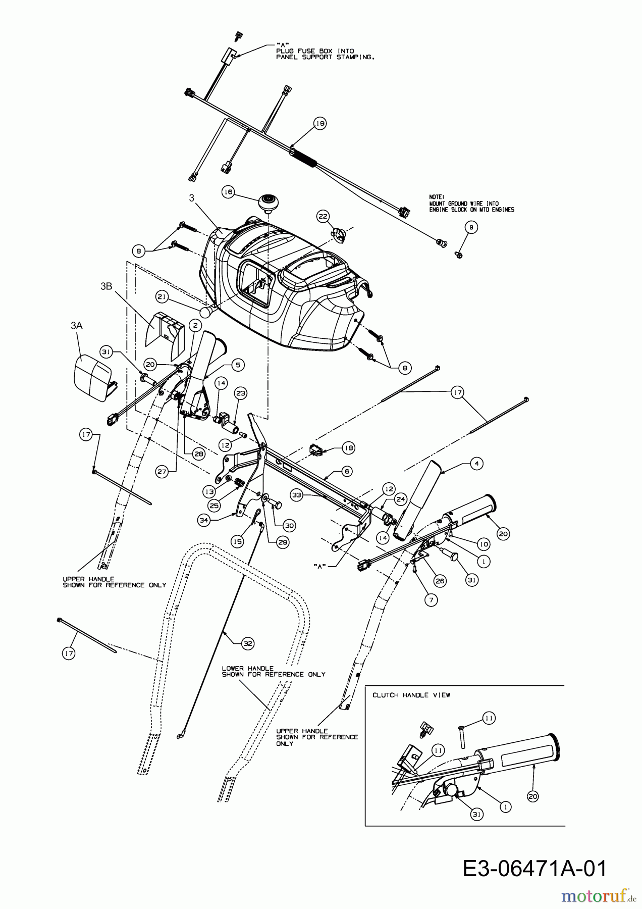
Hier finden Sie die Ersatzteilzeichnung für Yard-Man Schneefräsen YM 76 M-T 31AY75LU643 (2011) Abdeckung Armaturenbrett. Wählen Sie das benötigte Ersatzteil aus der Ersatzteilliste Ihres Yard-Man Gerätes aus und bestellen Sie einfach online. Viele Yard-Man Ersatzteile halten wir ständig in unserem Lager für Sie bereit.










