Yard-Man YM 71 M-W 31AY55LT643 (2011) Armaturenbrett Ersatzteile
Armaturenbrett 31AY55LT643 (2011)

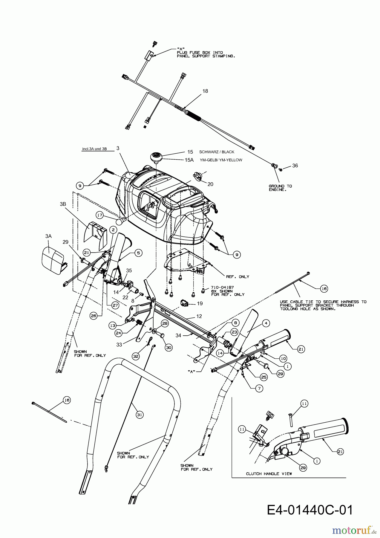
Hier finden Sie die Ersatzteilzeichnung für Yard-Man Schneefräsen YM 71 M-W 31AY55LT643 (2011) Armaturenbrett. Wählen Sie das benötigte Ersatzteil aus der Ersatzteilliste Ihres Yard-Man Gerätes aus und bestellen Sie einfach online. Viele Yard-Man Ersatzteile halten wir ständig in unserem Lager für Sie bereit.











