Yard-Man YM 8413 DE 31AY9PKV643 (2008) Fahrantrieb Ersatzteile
Fahrantrieb 31AY9PKV643 (2008)

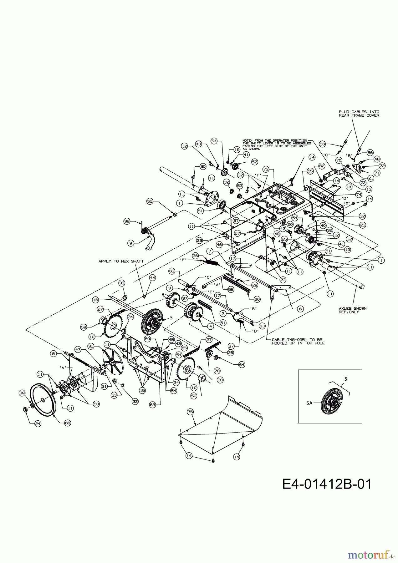
Hier finden Sie die Ersatzteilzeichnung für Yard-Man Schneefräsen YM 8413 DE 31AY9PKV643 (2008) Fahrantrieb. Wählen Sie das benötigte Ersatzteil aus der Ersatzteilliste Ihres Yard-Man Gerätes aus und bestellen Sie einfach online. Viele Yard-Man Ersatzteile halten wir ständig in unserem Lager für Sie bereit.


Qualitätsmanagement
Informieren Sie uns, wenn Sie einen Fehler gefunden haben.

















