Yard-Man YM 8413 DE 31AY9PKI643 (2007) Fräsantrieb Ersatzteile
Fräsantrieb 31AY9PKI643 (2007)

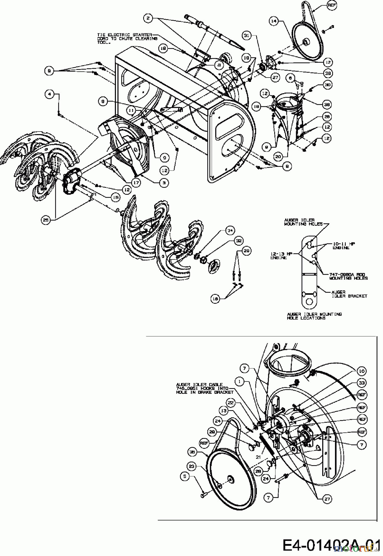
Hier finden Sie die Ersatzteilzeichnung für Yard-Man Schneefräsen YM 8413 DE 31AY9PKI643 (2007) Fräsantrieb. Wählen Sie das benötigte Ersatzteil aus der Ersatzteilliste Ihres Yard-Man Gerätes aus und bestellen Sie einfach online. Viele Yard-Man Ersatzteile halten wir ständig in unserem Lager für Sie bereit.
















