Yard-Man YM 8413 DE 31AE9P3I801R (2007) Fahrantrieb Ersatzteile
Fahrantrieb 31AE9P3I801R (2007)

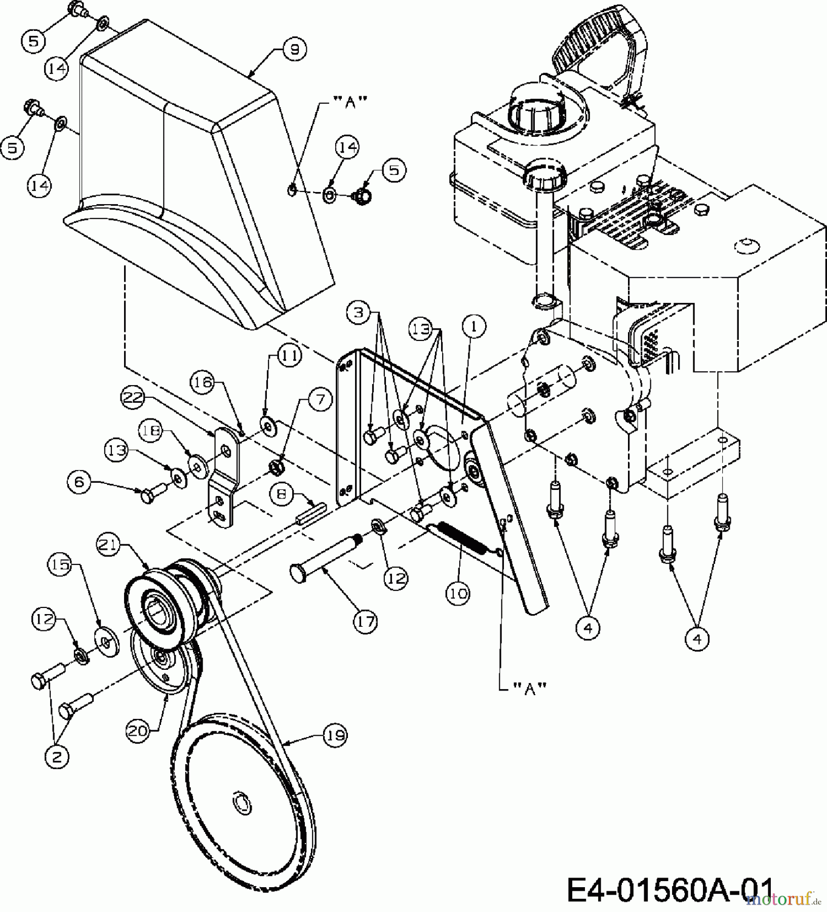
Hier finden Sie die Ersatzteilzeichnung für Yard-Man Schneefräsen YM 8413 DE 31AE9P3I801R (2007) Fahrantrieb. Wählen Sie das benötigte Ersatzteil aus der Ersatzteilliste Ihres Yard-Man Gerätes aus und bestellen Sie einfach online. Viele Yard-Man Ersatzteile halten wir ständig in unserem Lager für Sie bereit.














