Yard-Man YM 7110 DET 31BY7R3G643 (2007) Abdeckung Armaturenbrett Ersatzteile
Abdeckung Armaturenbrett 31BY7R3G643 (2007)

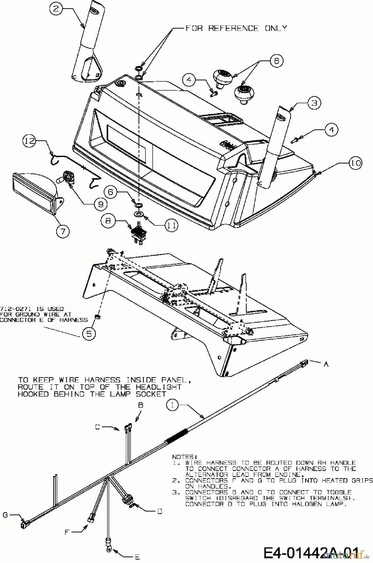
Hier finden Sie die Ersatzteilzeichnung für Yard-Man Schneefräsen YM 7110 DET 31BY7R3G643 (2007) Abdeckung Armaturenbrett. Wählen Sie das benötigte Ersatzteil aus der Ersatzteilliste Ihres Yard-Man Gerätes aus und bestellen Sie einfach online. Viele Yard-Man Ersatzteile halten wir ständig in unserem Lager für Sie bereit.


Qualitätsmanagement
Informieren Sie uns, wenn Sie einen Fehler gefunden haben.



