Yard-Man YM 7110 DE 31AY5RLG643 (2006) Armaturenbrett Ersatzteile
Armaturenbrett 31AY5RLG643 (2006)

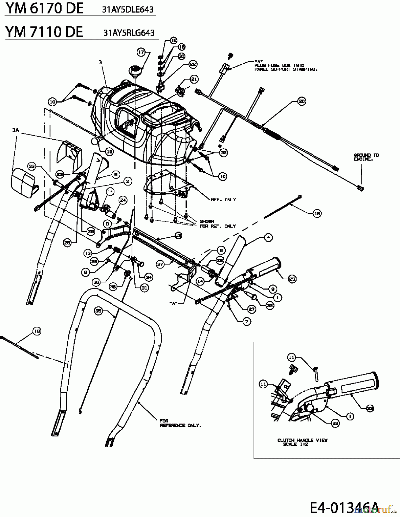
Hier finden Sie die Ersatzteilzeichnung für Yard-Man Schneefräsen YM 7110 DE 31AY5RLG643 (2006) Armaturenbrett. Wählen Sie das benötigte Ersatzteil aus der Ersatzteilliste Ihres Yard-Man Gerätes aus und bestellen Sie einfach online. Viele Yard-Man Ersatzteile halten wir ständig in unserem Lager für Sie bereit.


Qualitätsmanagement
Informieren Sie uns, wenn Sie einen Fehler gefunden haben.







