Yard-Man YM 5655 DE 31AV6TFD643 (2007) Fahrantrieb, Fräsantrieb Ersatzteile
Fahrantrieb, Fräsantrieb 31AV6TFD643 (2007)

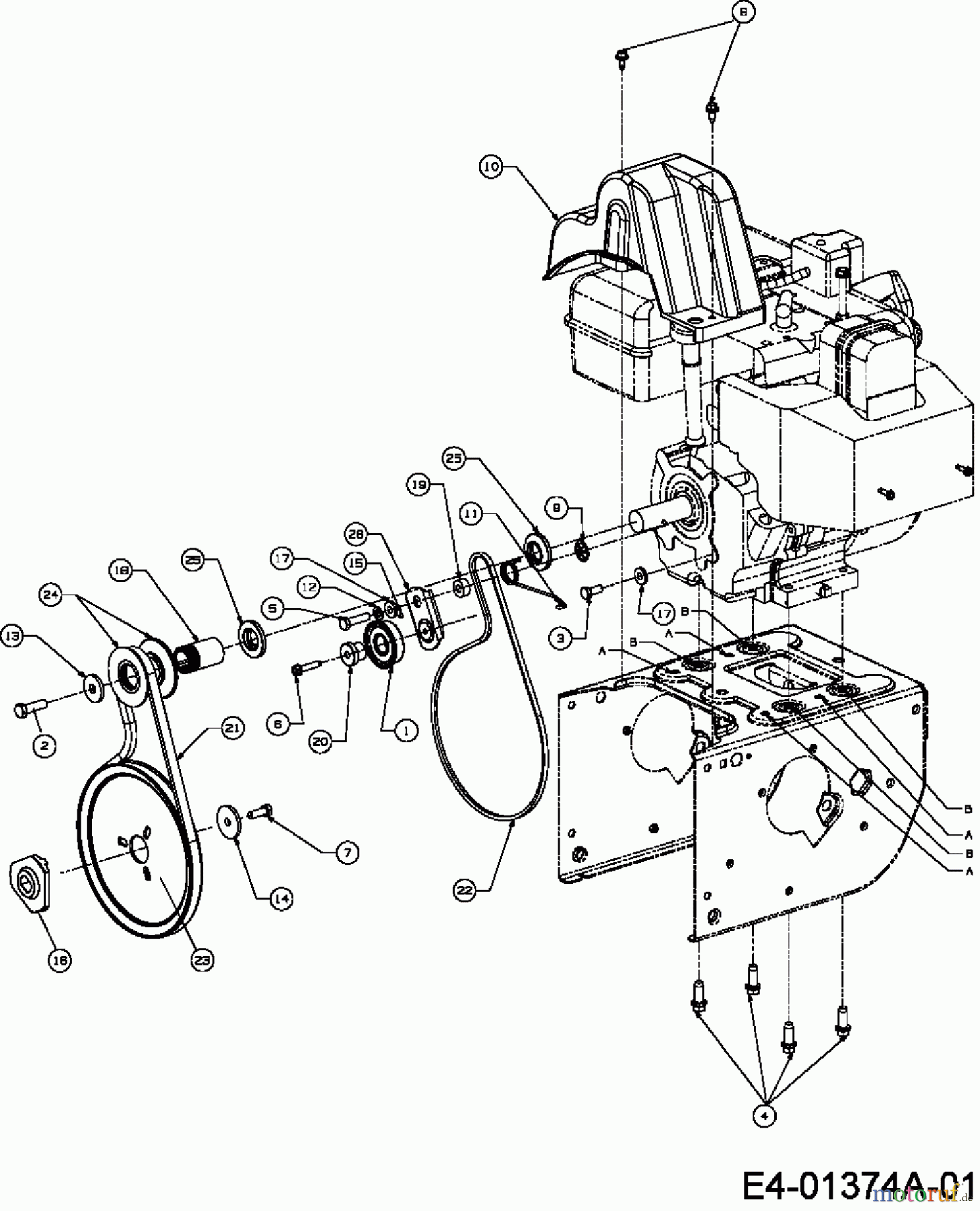
Hier finden Sie die Ersatzteilzeichnung für Yard-Man Schneefräsen YM 5655 DE 31AV6TFD643 (2007) Fahrantrieb, Fräsantrieb. Wählen Sie das benötigte Ersatzteil aus der Ersatzteilliste Ihres Yard-Man Gerätes aus und bestellen Sie einfach online. Viele Yard-Man Ersatzteile halten wir ständig in unserem Lager für Sie bereit.


Qualitätsmanagement
Informieren Sie uns, wenn Sie einen Fehler gefunden haben.











