Yard-Man YM 5655 DE 31AT6TCD643 (2006) Fahrantrieb, Fräsantrieb, Räder Ersatzteile
Fahrantrieb, Fräsantrieb, Räder 31AT6TCD643 (2006)

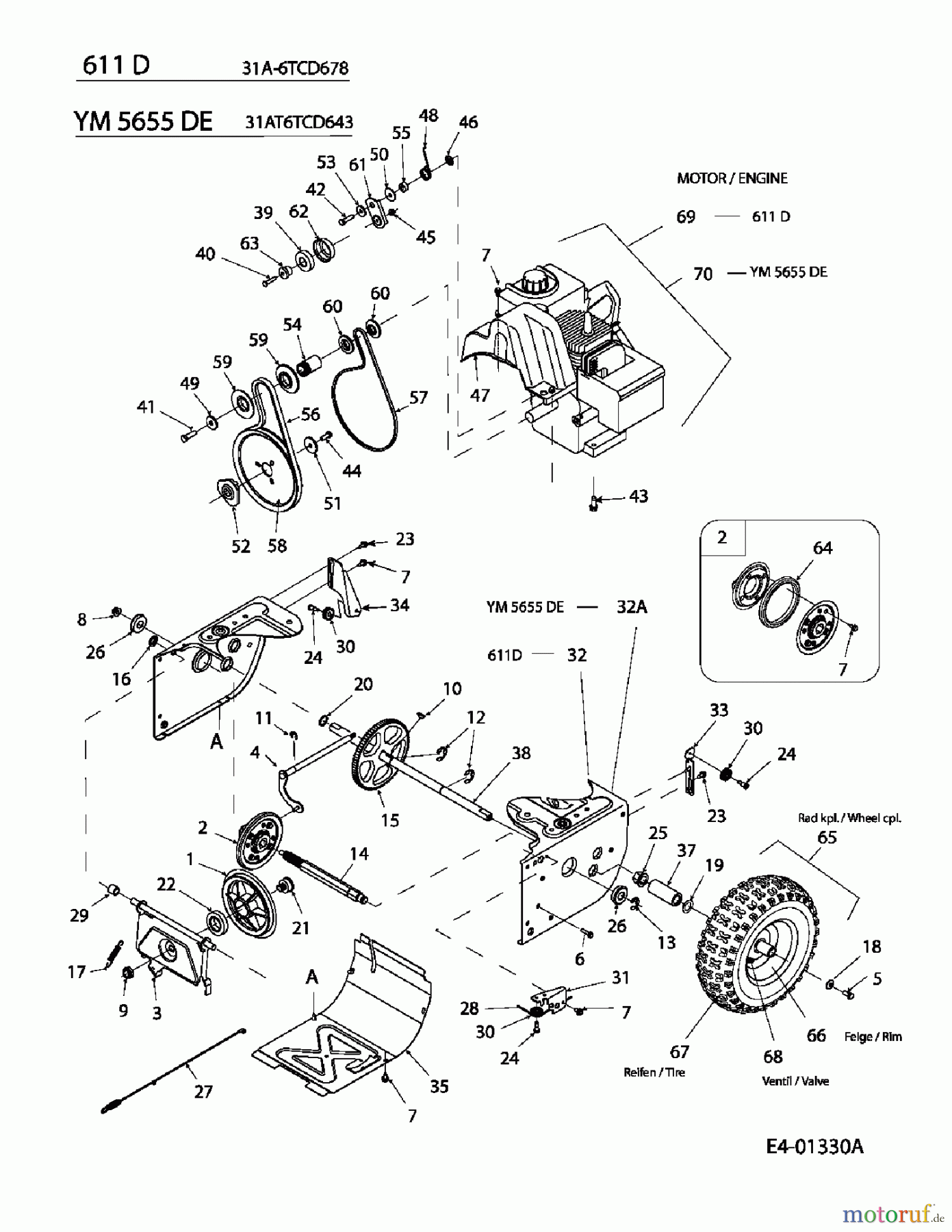
Hier finden Sie die Ersatzteilzeichnung für Yard-Man Schneefräsen YM 5655 DE 31AT6TCD643 (2006) Fahrantrieb, Fräsantrieb, Räder. Wählen Sie das benötigte Ersatzteil aus der Ersatzteilliste Ihres Yard-Man Gerätes aus und bestellen Sie einfach online. Viele Yard-Man Ersatzteile halten wir ständig in unserem Lager für Sie bereit.


Qualitätsmanagement
Informieren Sie uns, wenn Sie einen Fehler gefunden haben.





















